Запчасти Case 21F (35.220.AD[01]) - AUXILIARY HYDRAULIC, PUMP, CONTROL VALVE, LINE - END DATE 7 APRIL 2015 (35) - HYDRAULIC SYSTEMS

Схема запчастей Case 21F - (35.220.AD[01]) - AUXILIARY HYDRAULIC, PUMP, CONTROL VALVE, LINE - END DATE 7 APRIL 2015 (35) - HYDRAULIC SYSTEMS
1
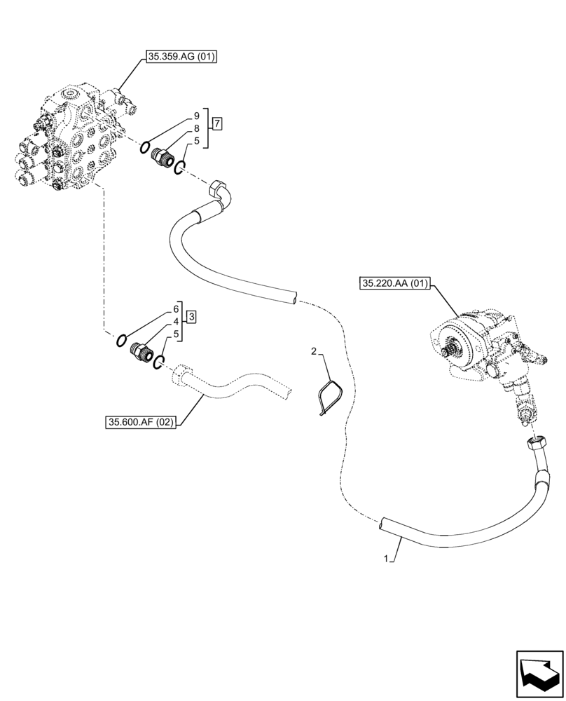
35.359.ag (01)
35.220.aa (01)
35.600.af (02)
7
5
5
6
2
4
3
8
9
FIT
1:1
100%

Артикул

Название

Примечание

Количество

1

47511117

HYDRAULIC HOSE

Main Valve T to Gear Pump

1шт.

2

4982514

CABLE TIE,188mm L

1шт.

3

87303844

HYD CONNECTOR,1-7/16" - 12 ORFS x 1-1/16" - 12 ORB

ASSY, Incl 4, 5 (Qty 1), 6

1шт.

4

NSS

NOT SOLD SEPARAT

Connector, Incl in 3

1шт.

5

167266

O-RING,0.116" Thk x 0.924" ID, -912, Cl 6, 90 Duro

2шт.

6

9824050

O-RING,0.07" Thk x 0.926" ID, -21, Cl 6, 90 Duro

1шт.

7

9840535

HYD CONNECTOR,1-3/16" - 12 ORFS x 1-1/16" - 12 ORB

ASSY, Incl 5 (Qty 1), 8, 9

1шт.

8

NSS

NOT SOLD SEPARAT

Connector, Incl in 7

1шт.

9

9991976

O-RING,0.07" Thk x 0.739" ID, -18, Cl 6, 90 Duro

1шт.

Выбрано товаров: 9