Запчасти Case 21F (35.600.AF[01A]) - VAR - 732001, 732002, 732005, 734586, 734647, 734648, 734651 - CONTROL VALVE, RETURN, LINE - BEGIN SN NFHP00452 (35) - HYDRAULIC SYSTEMS

Схема запчастей Case 21F - (35.600.AF[01A]) - VAR - 732001, 732002, 732005, 734586, 734647, 734648, 734651 - CONTROL VALVE, RETURN, LINE - BEGIN SN NFHP00452 (35) - HYDRAULIC SYSTEMS
35.600.ad (03)
13
9
7
11
12
4
8
5
7
10
6
15
2
5
9
14
3
10
14
8
1
11
82.300.ax (02)
82.300.ax (03)
82.300.ax (01)
FIT
1:1
100%

Артикул

Название

Примечание

Количество

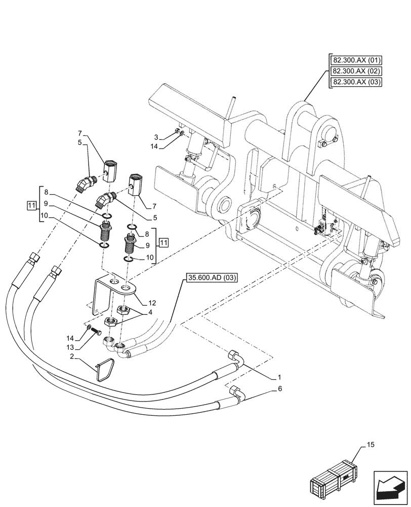
1

47744866

HYDRAULIC HOSE

3rd Quick Coupler Valve

1шт.

2

4982514

CABLE TIE,188mm L

3шт.

3

43362

NUT,M8 x 1.25, Cl 10

2шт.

4

86639085

BHD LOCK NUT,1"-14, Bulkhead

2шт.

5

83961740

ELBOW

2шт.

6

47744864

HYDRAULIC HOSE

3rd Quick Coupler Valve

1шт.

7

47478626

HYD CONNECTOR

2шт.

8

NSS

NOT SOLD SEPARAT

O-Ring, Incl in 11

2шт.

9

NSS

NOT SOLD SEPARAT

Connector, Incl in 11

2шт.

10

9992069

O-RING,0.07" Thk x 0.614" ID, -16, Cl 6, 90 Duro

2шт.

11

87381299

HYD CONNECTOR

ASSY, Incl 8 (Qty 1), 9 (Qty 1), 10 (Qty 1)

2шт.

12

47513247

PLATE

1шт.

13

16043831

SCREW,Hex, M8 x 1.25 x 30mm, Cl 10.9, Full Thd

2шт.

14

86624184

WASHER,9mm ID x 16mm OD x 1.6mm Thk

4шт.

15

47706104

CONSTRUCTION DIA

Hydraulic Quick Coupler Skid TC, Incl 1 - 14, Start Serial: NFHP00539

1шт.

To See Full DIA KIT Composition Look for all the Figures where the DIA KIT PIN Is Shown

1шт.

15

47706103

CONSTRUCTION DIA

Hydraulic Quick Coupler Standard TC, Incl 1 - 14

1шт.

To See Full DIA KIT Composition Look for all the Figures where the DIA KIT PIN Is Shown

1шт.

Выбрано товаров: 18