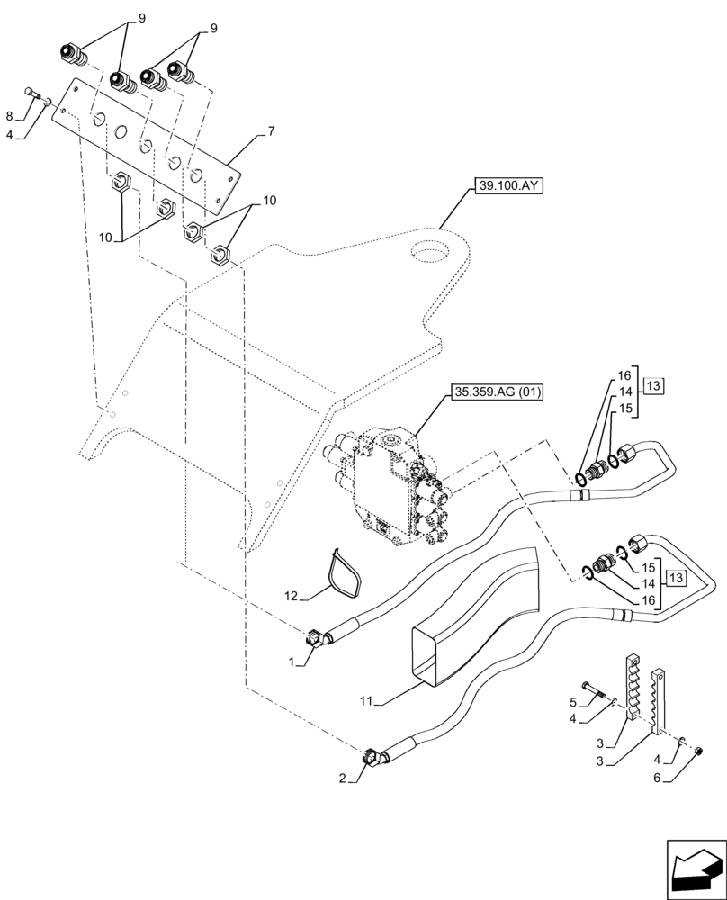
Запчасти Case 21F (35.723.AB[01]) - BUCKET CYLINDER, CONTROL VALVE, LINE (35) - HYDRAULIC SYSTEMS

Схема запчастей Case 21F - (35.723.AB[01]) - BUCKET CYLINDER, CONTROL VALVE, LINE (35) - HYDRAULIC SYSTEMS
13
9
39.100.ay
16
10
13
1
7
12
6
10
16
4
11
3
15
15
4
14
8
35.359.ag (01)
9
3
4
5
14
2
FIT
1:1
100%

Артикул

Название

Примечание

Количество

1

47504976

HYD TUBE

Combo to Main Valve B3, Years: -21-JUN-15

1шт.

1

47719263

HYD TUBE

Combo to Main Valve B3, Start Year: 22-JUN-15

1шт.

2

47504977

HYD TUBE

Combo to Main Valve A3, Years: -21-JUN-15

1шт.

2

47719264

HYD TUBE

Combo to Main Valve A3, Start Year: 22-JUN-15

1шт.

3

47444462

CLAMP

, Years: -21-JUN-15

2шт.

3

47801085

CLAMP

, Start Year: 22-JUN-15

2шт.

4

86624184

WASHER,9mm ID x 16mm OD x 1.6mm Thk

8шт.

5

86625003

BOLT,Hex, M8 x 50mm, Cl 10.9

2шт.

6

43362

NUT,M8 x 1.25, Cl 10

2шт.

7

47735279

PLATE

, Years: -21-JUN-15

1шт.

7

47747225

PLATE

, Start Year: 22-JUN-15

1шт.

8

16044031

BOLT,Hex, M8 x 1.25 x 40mm, Cl 10.9

4шт.

9

76088778

UNION

4шт.

10

86639085

BHD LOCK NUT,1"-14, Bulkhead

4шт.

11

47502747

PROTECTOR

1шт.

12

4982514

CABLE TIE,188mm L

2шт.

13

9621483

HYD CONNECTOR,1"-14 ORFS x 7/8"-14 ORB

ASSY, Incl 14 (Qty 1), 15 (Qty 1), 16 (Qty 1)

2шт.

14

NSS

NOT SOLD SEPARAT

Connector, Incl in 13

2шт.

15

128359

O-RING,0.07" Thk x 0.614" ID, -16, Cl 5, 75 Duro

2шт.

16

167269

O-RING,0.097" Thk x 0.755" ID, -910, Cl 6, 90 Duro

2шт.

Выбрано товаров: 20