Запчасти Case 21F (35.734.AD[01A]) - VAR - 734516 - HYDRAULIC QUICK COUPLER, LINES - BEGIN SN NFHP00539 (35) - HYDRAULIC SYSTEMS

Схема запчастей Case 21F - (35.734.AD[01A]) - VAR - 734516 - HYDRAULIC QUICK COUPLER, LINES - BEGIN SN NFHP00539 (35) - HYDRAULIC SYSTEMS
35.734.aa (01)
6
13
9
7
8
11
12
7
7
11
5
10
6
7
8
12
7
6
1
2
11
5
10
8
9
6
12
9
3
7
4
9
14
13
8
7
35.734.ac (01a)
13
35.734.aa (01)
FIT
1:1
100%

Артикул

Название

Примечание

Количество

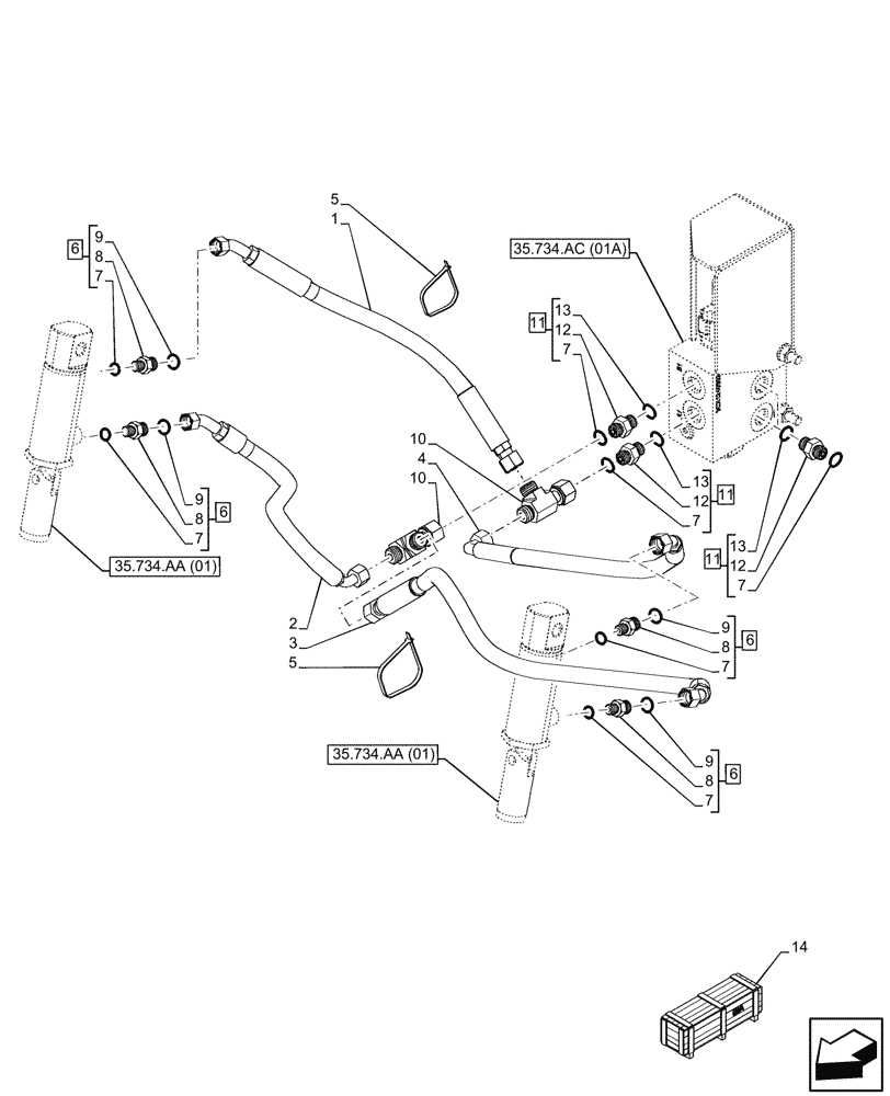
1

47815510

HYDRAULIC HOSE

Cylinder Quick Coupler

1шт.

2

47815505

HYDRAULIC HOSE

Cylinder Quick Coupler

1шт.

3

47815514

HYDRAULIC HOSE

Cylinder Quick Coupler

1шт.

4

47815513

HYDRAULIC HOSE

Cylinder Quick Coupler

1шт.

5

4982514

CABLE TIE,188mm L

2шт.

6

87681202

HYD CONNECTOR,9/16" - 18 ORFS x 7/16" - 20 ORB

ASSY, Incl 7 (Qty 1), 8, 9

4шт.

7

9825770

O-RING,0.07" Thk x 0.301" ID, -11, Cl 6, 90 Duro

8шт.

8

NSS

NOT SOLD SEPARAT

Connector, Incl in 6

4шт.

9

165202

O-RING,0.072" Thk x 0.351" ID, -904, Cl 6, 90 Duro

4шт.

10

83961945

TEE,9/16"-18 ORFS x 9/16"-18 Fem Sw Run

2шт.

11

85802803

FITTING,9/16"-18 ORFS x 9/16"-18 ORB

ASSY, Incl 7 (Qty 1), 12, 13

4шт.

12

NSS

NOT SOLD SEPARAT

Connector, Incl in 11

4шт.

13

9617873

O-RING,0.078" Thk x 0.468" ID, -906, Cl 6, 90 Duro

4шт.

14

47706104

CONSTRUCTION DIA

Hydraulic Quick Coupler Skid TC, Incl 1 - 13

1шт.

To See Full DIA KIT Composition Look for all the Figures where the DIA KIT PIN Is Shown

1шт.

Выбрано товаров: 15