Запчасти Case 21F (82.300.AX[02]) - VAR - 734516 - QUICK COUPLER (82) - FRONT LOADER & BUCKET

Схема запчастей Case 21F - (82.300.AX[02]) - VAR - 734516 - QUICK COUPLER (82) - FRONT LOADER & BUCKET
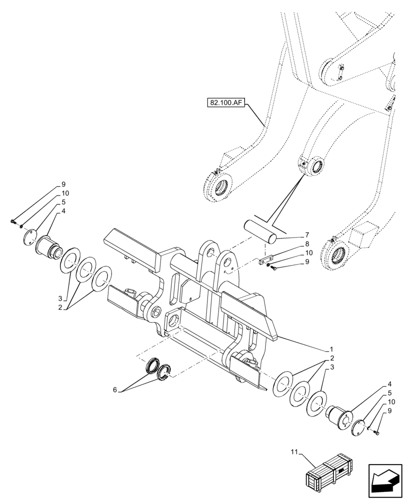
9
10
10
2
8
4
10
82.100.af
5
11
9
3
5
9
6
4
1
7
3
2
FIT
1:1
100%

Артикул

Название

Примечание

Количество

1

47635602

QUICK-HITCH

1шт.

2

47531436

SHIM

1.00mm Thk

4шт.

3

47403685

SHIM

2шт.

4

47665258

PIN

2шт.

5

47644400

PLUG

2шт.

6

47665132

BEARING LOCK NUT

2шт.

7

47394586

PIN

1шт.

8

47394585

PLATE

1шт.

9

16043431

SCREW,Hex, M8 x 1.25 x 20mm, Cl 10.9, Full Thd

6шт.

10

86624184

WASHER,9mm ID x 16mm OD x 1.6mm Thk

6шт.

11

47706104

CONSTRUCTION DIA

Hydraulic Quick Coupler Skid TC, Incl 1 - 9

1шт.

To See Full DIA KIT Composition Look for all the Figures where the DIA KIT PIN Is Shown

1шт.

Выбрано товаров: 12