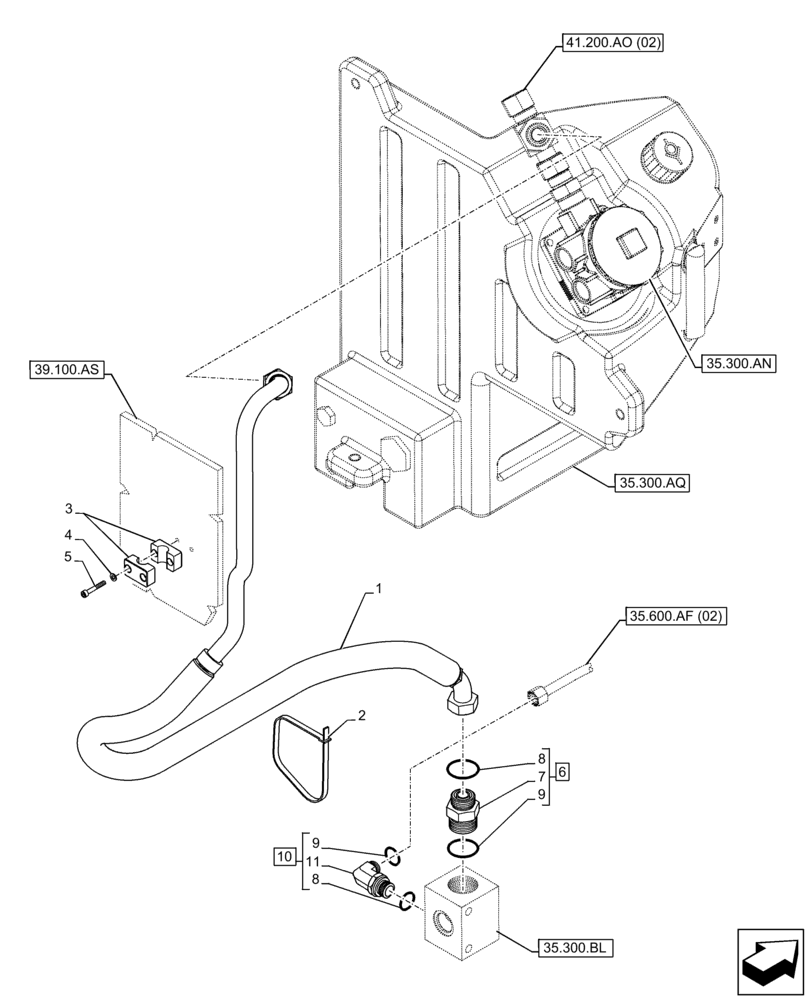
Запчасти Case 21F (35.300.AD[03]) - EXHAUST MANIFOLD, TANK, LINE (35) - HYDRAULIC SYSTEMS

Схема запчастей Case 21F - (35.300.AD[03]) - EXHAUST MANIFOLD, TANK, LINE (35) - HYDRAULIC SYSTEMS
3
35.300.aq
5
10
35.300.an
7
11
1
41.200.ao (02)
8
39.100.as
4
35.600.af (02)
35.300.bl
8
6
9
2
9
FIT
1:1
100%

Артикул

Название

Примечание

Количество

1

47511014

HYD TUBE

Combo to Oil Filter

1шт.

2

4982514

CABLE TIE,188mm L

2шт.

3

971661

CLIP

1шт.

4

86588450

WASHER,6.6mm ID x 12mm OD x 1.6mm Thk

2шт.

5

84233542

HEX SOC SCREW

2шт.

6

85805168

HYD CONNECTOR,1-7/16-12 ORS x 1-5/8-12 UN-2A

ASSY, Incl 7, 8 (Qty 1), 9 (Qty 1)

1шт.

7

NSS

NOT SOLD SEPARAT

Connector, Incl in 6

1шт.

8

9824050

O-RING,0.07" Thk x 0.926" ID, -21, Cl 6, 90 Duro

2шт.

9

570186

O-RING,0.118" Thk x 1.475" ID, -920, Cl 6, 90 Duro

2шт.

10

86511661

90 ELBOW,Adj, 1 7/16"-12 ORFS x 1 5/8"-12" ORB

ASSY, Incl 8 (Qty 1), 9 (Qty 1), 11

1шт.

11

NSS

NOT SOLD SEPARAT

Elbow, Incl in 10

1шт.

Выбрано товаров: 11