Запчасти Case 21F (35.723.AB[02]) - VAR - 734607 - BUCKET, CYLINDER, LINE (35) - HYDRAULIC SYSTEMS

Схема запчастей Case 21F - (35.723.AB[02]) - VAR - 734607 - BUCKET, CYLINDER, LINE (35) - HYDRAULIC SYSTEMS
35.723.ab (03)
4
82.300.an (17)
3
82.300.an (07)
1
2
7
3
35.723.aa (03)
5
8
6
FIT
1:1
100%

Артикул

Название

Примечание

Количество

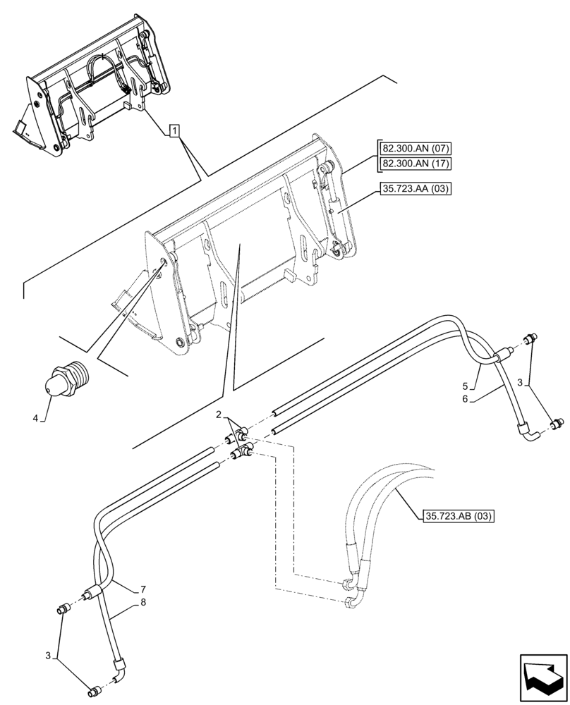
1

47464090

4 IN 1 BUCKET

1900mm, ASSY, Incl 2 - 8

1шт.

2

47645174

FITTING

2шт.

3

47645168

NIPPLE

4шт.

4

47648301

LUBE NIPPLE

1шт.

5

47649057

HYD TUBE

1080mm, RH Cylinder

1шт.

6

47649059

HYD TUBE

1220mm, RH Cylinder

1шт.

7

47649060

HYD TUBE

820mm, LH Cylinder

1шт.

8

47649062

HYD TUBE

970mm, LH Cylinder

1шт.

Выбрано товаров: 0