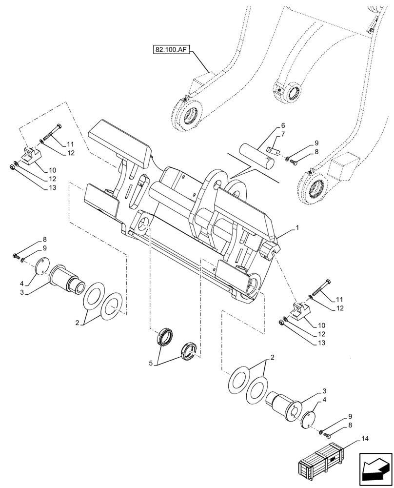
Запчасти Case 21F (82.300.AX[02]) - VAR - 734516 - QUICK COUPLER (82) - FRONT LOADER & BUCKET

Схема запчастей Case 21F - (82.300.AX[02]) - VAR - 734516 - QUICK COUPLER (82) - FRONT LOADER & BUCKET
8
4
8
2
3
10
2
7
9
13
12
6
12
11
12
9
4
5
1
3
82.100.af
11
13
12
10
14
9
8
FIT
1:1
100%

Артикул

Название

Примечание

Количество

1

47635248

QUICK-HITCH

, Serial Range: -NFHP00451

1шт.

1

47829998

QUICK-HITCH

, Serial Range: NFHP00452-NGHP00229

1шт.

1

47956177

QUICK-HITCH

, Start Serial: NGHP00230

1шт.

2

47531436

SHIM

1.00mm Thk

4шт.

3

47643650

PIN

2шт.

4

47644400

PLUG

2шт.

5

47643656

BEARING LOCK NUT

2шт.

6

47394586

PIN

1шт.

7

47394585

PLATE

1шт.

8

16043431

SCREW,Hex, M8 x 1.25 x 20mm, Cl 10.9, Full Thd

6шт.

9

86624184

WASHER,9mm ID x 16mm OD x 1.6mm Thk

6шт.

10

47635541

PLATE

2шт.

11

11108031

BOLT,Hex, M10 x 90mm, Cl 10.9

2шт.

12

86624176

WASHER,11mm ID x 20mm OD x 2mm Thk

4шт.

13

86500689

NUT,M10 x 1.5, Cl 10

2шт.

14

47706111

CONSTRUCTION DIA

Hydraulic Quick Coupler Skid W50C - W60C, 21F - 121F, Incl 1 - 13

1шт.

To See Full DIA KIT Composition Look for all the Figures where the DIA KIT PIN Is Shown

1шт.

Выбрано товаров: 17