Запчасти Case 21F (10.202.AH[01A]) - AIR CLEANER, SUPPORT - END DATE 28 FEBRUARY 2017 (10) - ENGINE

Схема запчастей Case 21F - (10.202.AH[01A]) - AIR CLEANER, SUPPORT - END DATE 28 FEBRUARY 2017 (10) - ENGINE
10.202.ab (01)
3
2
1
19.100.ab
10.001.ad
FIT
1:1
100%

Артикул

Название

Примечание

Количество

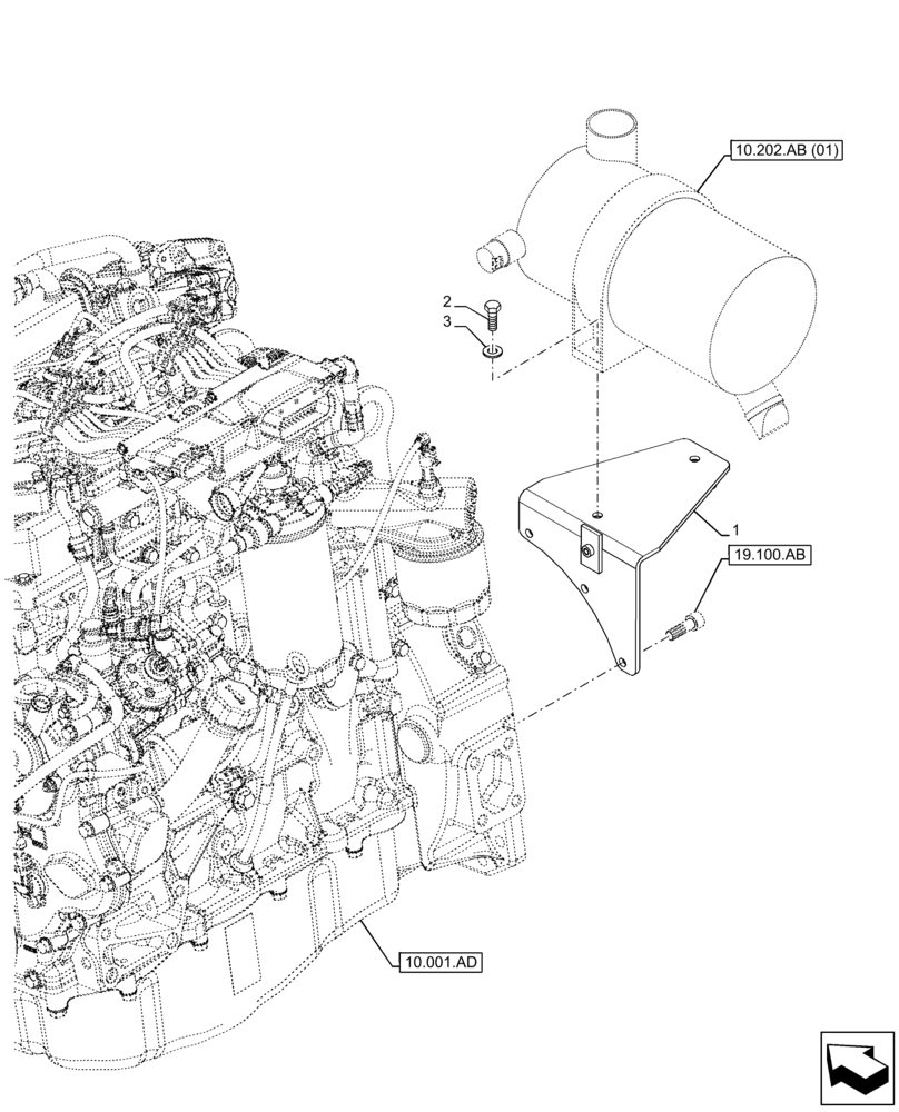
1

47439256

SUPPORT

Air Cleaner

1шт.

2

43235

BOLT,Hex, M8 x 1.25 x 30mm, Cl 10.9, Full Thd

2шт.

3

86624184

WASHER,9mm ID x 16mm OD x 1.6mm Thk

2шт.

Выбрано товаров: 0