Качественные детали и логистика
Оригинальные и аналоговые запчасти с доставкой по России, Казахстану и Беларуси
©2022 PartSell ООО "Система" ИНН 2463123282 ОГРН 1212400004838
Центральный офис: г. Красноярск, Академика Киренского, д.87, пом.4
Телефон: 8 (800) 777-65-74 Email: zakaz@partsell.ru
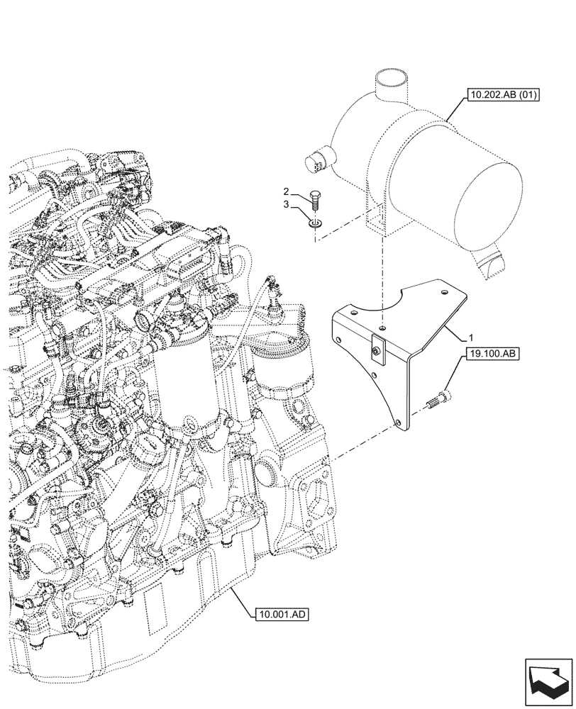
(10.202.AH[01B]) - AIR CLEANER, SUPPORT - BEGIN DATE 01 MARCH 2017
№
Артикул
Название
Примечание
Количество
1
48031633
SUPPORT
Air Cleaner
1шт.
2
43235
BOLT,Hex, M8 x 1.25 x 30mm, Cl 10.9, Full Thd
2шт.
3
86624184
WASHER,9mm ID x 16mm OD x 1.6mm Thk
Выбрано товаров: 0