Запчасти Case 221F (35.359.AE) - CONTROL VALVE, MANIFOLD VALVE, LINE (35) - HYDRAULIC SYSTEMS

Схема запчастей Case 221F - (35.359.AE) - CONTROL VALVE, MANIFOLD VALVE, LINE (35) - HYDRAULIC SYSTEMS
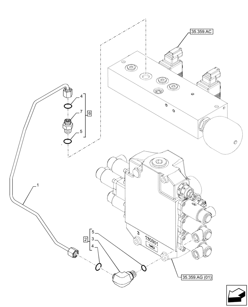
35.359.ac
4
5
5
7
3
35.359.ag (01)
4
6
1
2
FIT
1:1
100%

Артикул

Название

Примечание

Количество

1

47417935

HYD TUBE

Pilot Manifold A2 to Main Valve

1шт.

2

85805220

ELBOW,90 Degree, 9/16"-18 x 9/16"-18 Adj, ORFS

ASSY, Incl 3, 4 (Qty 1), 5 (Qty 1)

1шт.

3

NSS

NOT SOLD SEPARAT

Elbow, Incl in 2

1шт.

4

9617873

O-RING,0.078" Thk x 0.468" ID, -906, Cl 6, 90 Duro

2шт.

5

9825770

O-RING,0.07" Thk x 0.301" ID, -11, Cl 6, 90 Duro

2шт.

6

85802803

FITTING,9/16"-18 ORFS x 9/16"-18 ORB

ASSY, Incl 4 (Qty 1), 5 (Qty 1), 7

1шт.

7

NSS

NOT SOLD SEPARAT

Connector, Incl in 6

1шт.

Выбрано товаров: 7