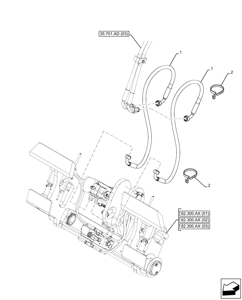
Запчасти Case 221F (35.600.AD[06]) - VAR - 732001, 732002, 732003, 732005, 734591, 734647, 734648, 734649, 734651 - QUICK COUPLER, LINES (35) - HYDRAULIC SYSTEMS

Схема запчастей Case 221F - (35.600.AD[06]) - VAR - 732001, 732002, 732003, 732005, 734591, 734647, 734648, 734649, 734651 - QUICK COUPLER, LINES (35) - HYDRAULIC SYSTEMS
35.701.ad (03)
82.300.ax (03)
82.300.ax (02)
82.300.ax (01)
2
1
2
1
FIT
1:1
100%

Артикул

Название

Примечание

Количество

1

47481733

FLEXIBLE HOSE

3th Function

2шт.

2

4982514

CABLE TIE,188mm L

3шт.

Выбрано товаров: 2