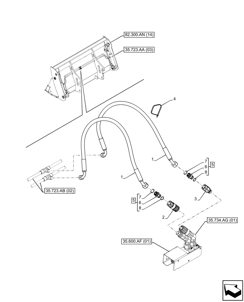
Запчасти Case 221F (35.723.AB[03]) - VAR - 734599 - BUCKET, CYLINDER, LINE (35) - HYDRAULIC SYSTEMS

Схема запчастей Case 221F - (35.723.AB[03]) - VAR - 734599 - BUCKET, CYLINDER, LINE (35) - HYDRAULIC SYSTEMS
5
82.300.an (14)
35.723.aa (03)
35.734.ag (01)
5
35.723.ab (02)
6
1
3
8
6
35.600.af (01)
4
7
8
2
1
7
FIT
1:1
100%

Артикул

Название

Примечание

Количество

1

47646580

HYDRAULIC HOSE

4 in 1 Bucket

2шт.

2

47491364

COUPLING, QUICK, FEM

1шт.

3

47491384

QUICK MALE COUPLING

1шт.

4

4982514

CABLE TIE,188mm L

1шт.

5

83963000

FITTING,1" - 14 ORFS x 7/8" - 14 ORB

ASSY, Incl 6 (Qty 1), 7 (Qty 1), 8 (Qty 1)

2шт.

6

NSS

NOT SOLD SEPARAT

Connector, Incl in 5

2шт.

7

80167269

O-RING,0.097" Thk x 0.755" ID, -910, Cl 6, 90 Duro

2шт.

8

83901443

O-RING,0.07" Thk x 0.614" ID, -16, Cl 6, 90 Duro

2шт.

Выбрано товаров: 8