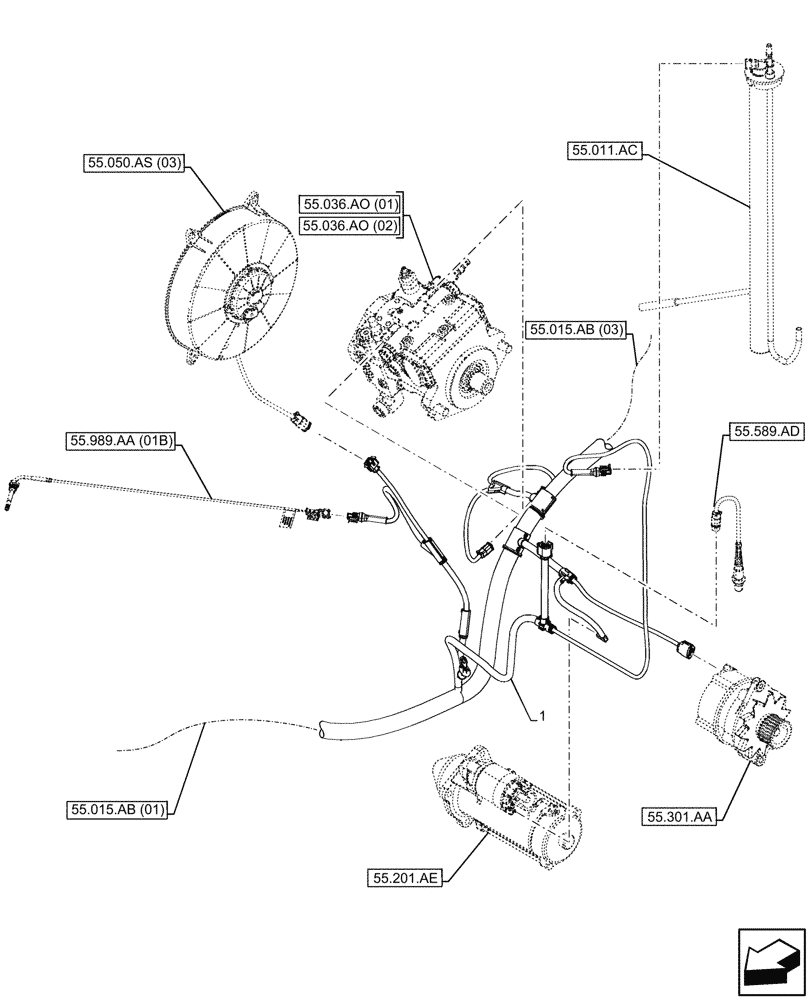
Запчасти Case 221F (55.015.AB[02B]) - HARNESS, ENGINE - BEGIN DATE 01 MARCH 2017 (55) - ELECTRICAL SYSTEMS

Схема запчастей Case 221F - (55.015.AB[02B]) - HARNESS, ENGINE - BEGIN DATE 01 MARCH 2017 (55) - ELECTRICAL SYSTEMS
55.015.ab (01)
55.011.ac
55.050.as (03)
55.036.ao (02)
55.201.ae
55.989.aa (01b)
55.301.aa
55.589.ad
1
55.015.ab (03)
55.036.ao (01)
FIT
1:1
100%

Артикул

Название

Примечание

Количество

1

47937089

WIRE HARNESS

Engine and Transmission

1шт.

Выбрано товаров: 0