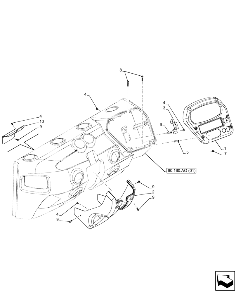
Запчасти Case 221F (90.160.AO[04]) - VAR - 734632 - CAB INTERIOR TRIM, CONSOLE, FRONT (90) - PLATFORM, CAB, BODYWORK AND DECALS

Схема запчастей Case 221F - (90.160.AO[04]) - VAR - 734632 - CAB INTERIOR TRIM, CONSOLE, FRONT (90) - PLATFORM, CAB, BODYWORK AND DECALS
7
1
4
9
9
10
5
9
3
4
6
2
4
9
4
90.160.ao (01)
8
FIT
1:1
100%

Артикул

Название

Примечание

Количество

1

47700615

DASHBOARD

, Serial Range: -NGHP00538

1шт.

1

47974010

DASHBOARD

, Start Serial: NGHP00539

1шт.

2

47515310

COVER

Lower Steering Column, Serial Range: -NGHP00538

1шт.

2

47973982

COVER

Lower Steering Column, Start Serial: NGHP00539

1шт.

3

47527833

BRACKET

1шт.

4

2700886

HEX SOC SCREW,Hex, M6 x 4 x 10mm, Cl 10.9 BNZ

7шт.

5

47531312

SPACER

3шт.

6

47531319

SPACER

1шт.

7

1983571

HEX SOC SCREW,M5 x 12mm, Cl 10.9

4шт.

8

2247675

HEX SOC SCREW

2шт.

9

87698793

SCREW,Hex, M6 x 20mm L

10шт.

10

47623983

BRACKET

1шт.

Выбрано товаров: 12