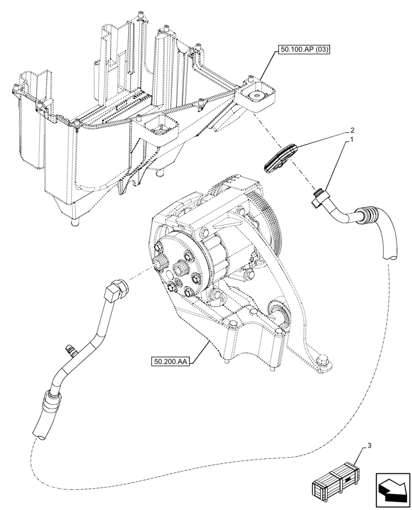
Запчасти Case 221F (50.200.BY) - VAR - 734506 - AIR CONDITIONER, LINE (50) - CAB CLIMATE CONTROL

Схема запчастей Case 221F - (50.200.BY) - VAR - 734506 - AIR CONDITIONER, LINE (50) - CAB CLIMATE CONTROL
3
50.200.aa
2
1
50.100.ap (03)
FIT
1:1
100%

Артикул

Название

Примечание

Количество

1

47432534

A/C HOSE

Compressor to Cab

1шт.

2

84587279

GROMMET

1шт.

3

47731630

KIT

Air Conditioner and Heater W70C - W80C, 221F - 321F, Incl 1, 2

1шт.

To See Full DIA KIT Composition Look for all the Figures where the DIA KIT PIN Is Shown

1шт.

Выбрано товаров: 4