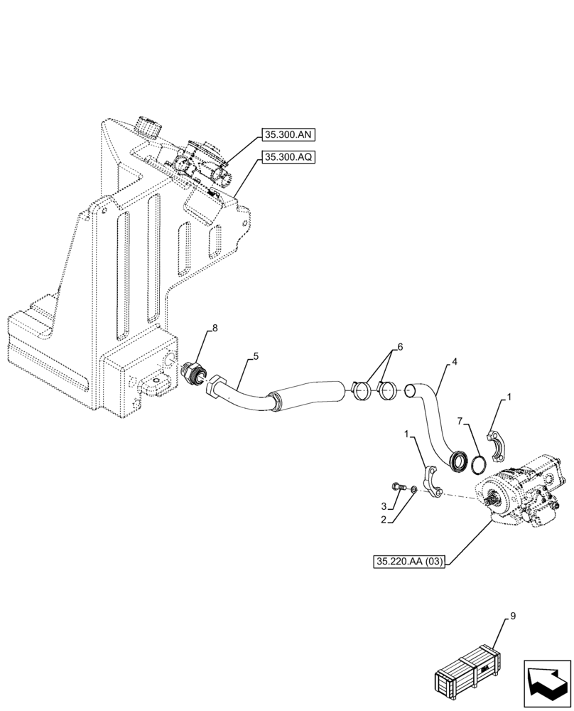
Запчасти Case 321F (35.220.AG[01]) - VAR - 734591 - AUXILIARY HYDRAULIC PUMP, TANK, LINE - END DATE 29 APRIL 2015 (35) - HYDRAULIC SYSTEMS

Схема запчастей Case 321F - (35.220.AG[01]) - VAR - 734591 - AUXILIARY HYDRAULIC PUMP, TANK, LINE - END DATE 29 APRIL 2015 (35) - HYDRAULIC SYSTEMS
1
5
7
35.220.aa (03)
35.300.aq
9
6
35.300.an
4
8
2
1
3
FIT
1:1
100%

Артикул

Название

Примечание

Количество

1

70921118

CLAMP,Half

2шт.

2

13507401

WASHER,12.2mm ID x 20mm OD x 2mm Thk

4шт.

3

9824642

BOLT,M12 x 1.75 x 42.68mm, Cl 10.9

4шт.

4

47625588

HYD TUBE

Gear Pump to Oil reservoir Line

1шт.

5

47625589

HYDRAULIC HOSE

Oil Reservoir to Gear Pump Line

1шт.

6

79083846

HOSE CLAMP,M40-60

2шт.

7

272380

O-RING,0.139" Thk x 1.859" ID, -225, Cl 5, 75 Duro

1шт.

8

201-137

HYD CONNECTOR,2"-12 ORFS x 1 8/8"-12 ORB

1шт.

9

47704938

CONSTRUCTION DIA

High Flow, Incl 1 - 8

1шт.

To See Full DIA KIT Composition Look for all the Figures where the DIA KIT PIN Is Shown

1шт.

Выбрано товаров: 10