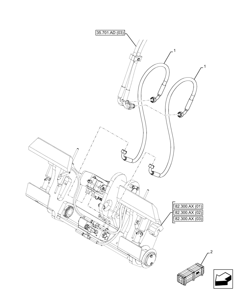
Запчасти Case 321F (35.600.AD[05]) - VAR - 402034 - QUICK COUPLER, LINES (35) - HYDRAULIC SYSTEMS

Схема запчастей Case 321F - (35.600.AD[05]) - VAR - 402034 - QUICK COUPLER, LINES (35) - HYDRAULIC SYSTEMS
35.701.ad (03)
1
82.300.ax (01)
82.300.ax (03)
1
2
82.300.ax (02)
FIT
1:1
100%

Артикул

Название

Примечание

Количество

1

47481733

FLEXIBLE HOSE

3th Function

2шт.

2

47706112

CONSTRUCTION DIA

Hydraulic Quick Coupler Skid W70C - W80C, 221F - 321F, Incl 1

1шт.

To See Full DIA KIT Composition Look for all the Figures where the DIA KIT PIN Is Shown

1шт.

Выбрано товаров: 3