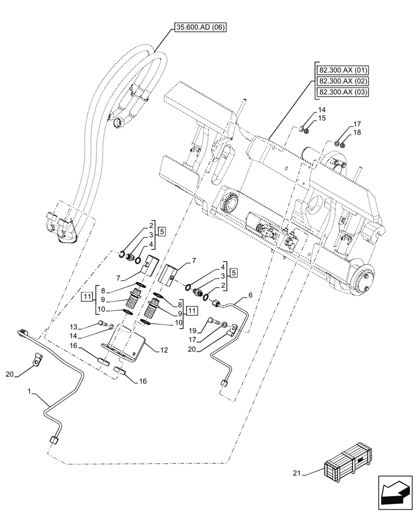
Запчасти Case 321F (35.600.AF[07]) - VAR - 402033, 732001, 732002, 732003, 732005, 734647, 734648, 734649, 734651 - CONTROL VALVE, RETURN LINE (35) - HYDRAULIC SYSTEMS

Схема запчастей Case 321F - (35.600.AF[07]) - VAR - 402033, 732001, 732002, 732003, 732005, 734647, 734648, 734649, 734651 - CONTROL VALVE, RETURN LINE (35) - HYDRAULIC SYSTEMS
82.300.ax (01)
10
1
11
6
4
17
18
16
20
2
8
20
7
21
15
17
14
14
9
5
7
19
3
8
12
2
4
16
9
13
5
10
3
11
82.300.ax (03)
35.600.ad (06)
82.300.ax (02)
FIT
1:1
100%

Артикул

Название

Примечание

Количество

1

47516242

HYD TUBE

Quick Coupler Feed Line Pipe, Serial Range: -NFHP00451

1шт.

1

47744855

HYDRAULIC HOSE

Quick Coupler Feed Line Pipe, Start Serial: NFHP00452

1шт.

2

9617873

O-RING,0.078" Thk x 0.468" ID, -906, Cl 6, 90 Duro

2шт.

3

NSS

NOT SOLD SEPARAT

Connector, Incl in 5

2шт.

4

9825770

O-RING,0.07" Thk x 0.301" ID, -11, Cl 6, 90 Duro

2шт.

5

85802803

FITTING,9/16"-18 ORFS x 9/16"-18 ORB

ASSY, Incl 2 (Qty 1), 3 (Qty 1), 4 (Qty 1)

2шт.

6

47516243

HYD TUBE

Quick Coupler Feed Line Pipe, Serial Range: -NFHP00451

1шт.

6

47744853

HYDRAULIC HOSE

Quick Coupler Feed Line Pipe, Start Serial: NFHP00452

1шт.

7

47478626

HYD CONNECTOR

2шт.

8

NSS

NOT SOLD SEPARAT

O-Ring, Incl in 11

2шт.

9

NSS

NOT SOLD SEPARAT

Connector, Incl in 11

2шт.

10

9992069

O-RING,0.07" Thk x 0.614" ID, -16, Cl 6, 90 Duro

2шт.

11

87381299

HYD CONNECTOR

ASSY, Incl 8 (Qty 1), 9 (Qty 1), 10 (Qty 1)

2шт.

12

47481760

PLATE

1шт.

13

16043831

SCREW,Hex, M8 x 1.25 x 30mm, Cl 10.9, Full Thd

2шт.

14

86624184

WASHER,9mm ID x 16mm OD x 1.6mm Thk

4шт.

15

43362

NUT,M8 x 1.25, Cl 10

2шт.

16

86639085

BHD LOCK NUT,1"-14, Bulkhead

2шт.

17

86588450

WASHER,6.6mm ID x 12mm OD x 1.6mm Thk

, Serial Range: -NFHP00451

4шт.

18

86500688

NUT,Hex, M6 x 1.0, Cl 10.9

, Serial Range: -NFHP00451

2шт.

19

10902831

SCREW,Hex, M6 x 30mm, Cl 10.9

, Serial Range: -NFHP00451

2шт.

20

80272535

WIRE CLAMP,6.3mm, Coat, 7.1mm Bolt Hole, P Type

, Serial Range: -NFHP00451

2шт.

21

47706112

CONSTRUCTION DIA

Hydraulic Quick Coupler Skid, Incl. 1 - 20

1шт.

Выбрано товаров: 23