Запчасти Case 321F (41.200.AO[03]) - STEERING, HYDRAULIC LINE (41) - STEERING

Схема запчастей Case 321F - (41.200.AO[03]) - STEERING, HYDRAULIC LINE (41) - STEERING
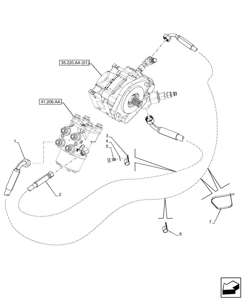
1
2
4
3
41.206.aa
5
7
35.220.aa (01)
6
FIT
1:1
100%

Артикул

Название

Примечание

Количество

1

47642751

HYDRAULIC HOSE

P Steering, Punp to Gear Pump

1шт.

2

47459486

HYDRAULIC HOSE

LS Steering, Punp to Gear Pump

1шт.

3

515-22127

CLAMP,1/2", Insul, 5/16" Bolt

1шт.

4

86624184

WASHER,9mm ID x 16mm OD x 1.6mm Thk

1шт.

5

16043431

SCREW,Hex, M8 x 1.25 x 20mm, Cl 10.9, Full Thd

1шт.

6

8403429

CLAMP

1шт.

7

4982514

CABLE TIE,188mm L

2шт.

Выбрано товаров: 7