Запчасти Case 321F (41.200.BO[01]) - VAR - 402045, 732001, 732002, 732005, 732006, 734647, 734648, 734651, 734652 - LINES, AUXILIARY STEERING - END DATE 29 APRIL 2015 (41) - STEERING

Схема запчастей Case 321F - (41.200.BO[01]) - VAR - 402045, 732001, 732002, 732005, 732006, 734647, 734648, 734651, 734652 - LINES, AUXILIARY STEERING - END DATE 29 APRIL 2015 (41) - STEERING
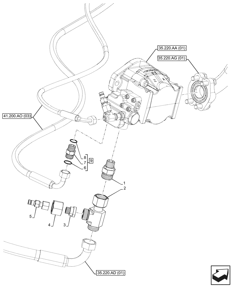
35.220.aa (01)
9
4
5
7
8
2
1
6
3
35.220.ag (01)
41.200.ao (03)
35.220.ad (01)
FIT
1:1
100%

Артикул

Название

Примечание

Количество

1

9840534

HYD CONNECTOR,1-3/16" - 12 ORFS x 7/8" - 14 ORB

1шт.

2

87016915

TEE,1-3/16"-12 ORFS x 13.9mm ORB

1шт.

3

87026878

HYD CONNECTOR,11/16-16 x 1-3/16-12 ORFS

1шт.

4

86639096

TUBE NUT,1-3/16'-12 ORFS x 26.5mm Thk

1шт.

5

76085228

BREAKER POINTS

1шт.

6

9992298

O-RING,0.07" Thk x 0.489" ID, -14, Cl 6, 90 Duro

1шт.

7

NSS

NOT SOLD SEPARAT

Connector, Incl in 9

1шт.

8

128825

O-RING,0.087" Thk x 0.644" ID, -908, Cl 6, 90 Duro

1шт.

9

9992305

HYD CONNECTOR,13/16" - 16 ORFS x 3/4" - 16 ORB

ASSY, Incl 6 - 8

1шт.

Выбрано товаров: 0