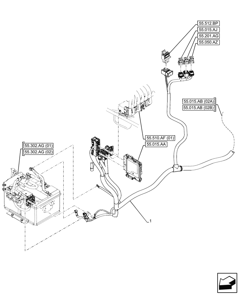
Запчасти Case 321F (55.015.AB[01]) - HARNESS, ENGINE (55) - ELECTRICAL SYSTEMS

Схема запчастей Case 321F - (55.015.AB[01]) - HARNESS, ENGINE (55) - ELECTRICAL SYSTEMS
1
55.015.ab (02a)
55.015.aj
55.510.af (01)
55.201.ag
55.302.ag (01)
55.302.ag (02)
55.050.az
55.015.ab (02b)
55.015.aa
55.512.bp
FIT
1:1
100%

Артикул

Название

Примечание

Количество

1

47695703

WIRE HARNESS

Engine and Transmission, Years: -28-FEB-17

1шт.

1

47937089

WIRE HARNESS

Engine and Transmission, Start Year: 01-MAR-17

1шт.

Выбрано товаров: 0