Запчасти Case 321F (10.000.00[02]) - SECTION INDEX - ENGINE (10) - ENGINE

Схема запчастей Case 321F - (10.000.00[02]) - SECTION INDEX - ENGINE (10) - ENGINE
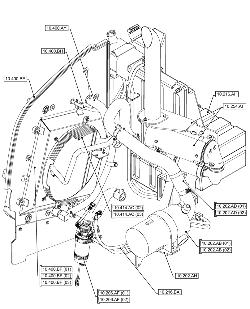
10.206.af (01)
10.206.af (02)
10.400.ay
10.216.ai
10.414.ac (03)
10.202.ad (02)
10.216.ba
10.202.ab (01)
10.400.bf (03)
10.400.bf (01)
10.400.bh
10.202.ad (01)
10.202.ah
10.254.ai
10.400.be
10.202.ab (02)
10.400.bf (02)
10.414.ac (02)
FIT
1:1
100%