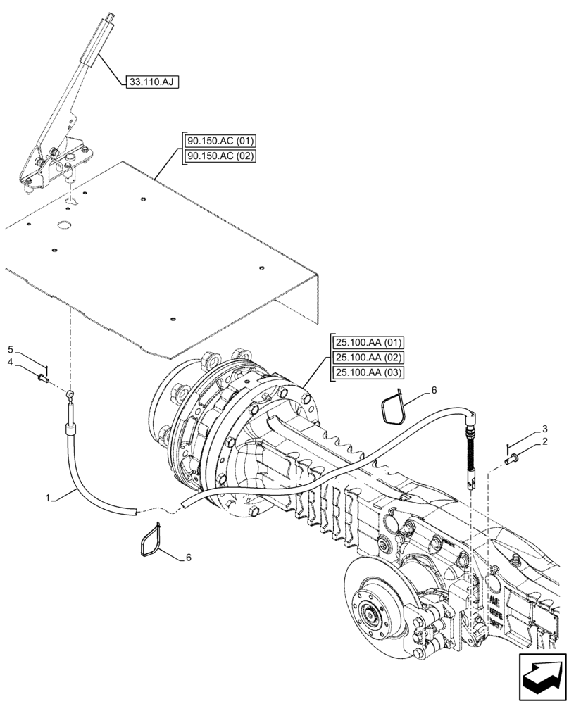
Запчасти Case 321F (33.110.AP) - PARKING BRAKE, FLEXIBLE CABLE (33) - BRAKES & CONTROLS

Схема запчастей Case 321F - (33.110.AP) - PARKING BRAKE, FLEXIBLE CABLE (33) - BRAKES & CONTROLS
2
25.100.aa (03)
1
5
3
25.100.aa (02)
25.100.aa (01)
90.150.ac (01)
6
4
6
90.150.ac (02)
33.110.aj
FIT
1:1
100%

Артикул

Название

Примечание

Количество

1

47514805

CABLE

2657mm

1шт.

2

358885

CLEVIS PIN,M10 x 25

1шт.

3

10734401

COTTER PIN,M2 x 22

1шт.

4

10050811

PIN,8mm OD x 22mm L

1шт.

5

71415906

COTTER PIN,4mm x 33mm L

1шт.

6

4982514

CABLE TIE,188mm L

2шт.

Выбрано товаров: 0