Запчасти Case 321F (55.000.00[04]) - SECTION INDEX - ELECTRICAL SYSTEMS (55) - ELECTRICAL SYSTEMS

Схема запчастей Case 321F - (55.000.00[04]) - SECTION INDEX - ELECTRICAL SYSTEMS (55) - ELECTRICAL SYSTEMS
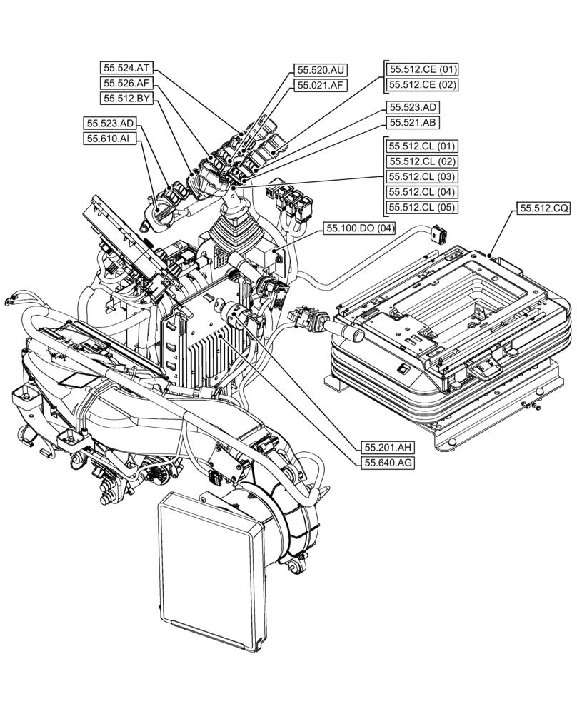
55.523.ad
55.610.ai
55.524.at
55.512.cl (01)
55.523.ad
55.521.ab
55.512.cl (04)
55.100.do (04)
55.520.au
55.512.by
55.526.af
55.512.cq
55.512.ce (01)
55.201.ah
55.021.af
55.512.cl (05)
55.512.ce (02)
55.512.cl (02)
55.512.cl (03)
55.640.ag
FIT
1:1
100%