Запчасти Case 440 (04) - FRAME AND WEIGHT BOX

Схема запчастей Case 440 - (04) - FRAME AND WEIGHT BOX
FIT
1:1
100%

Артикул

Название

Примечание

Количество

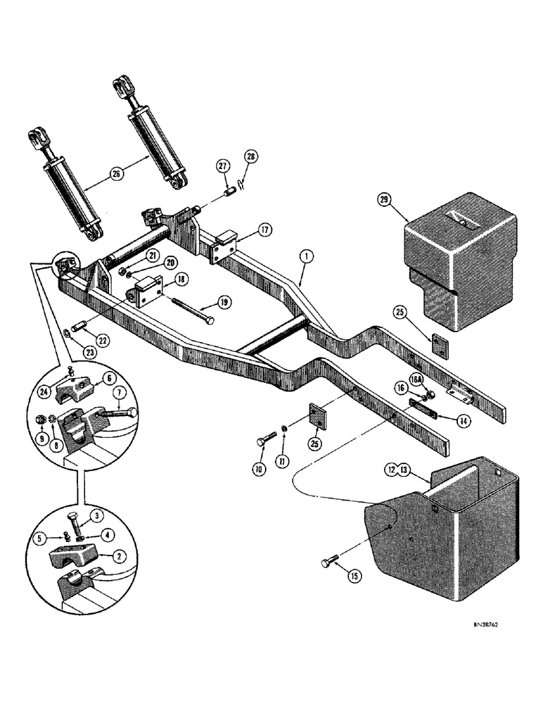
1

D24144

FRAME - fork lift (Gas model)

1шт.

D27374

FRAME - fork lift (Diesel model)

1шт.

2

D24149

CAP - trunnion (Used before Harlo #1882) See D26758

2шт.

3

14-832

BOLT,Hex, 1/2" - 20 x 2", Gr 5

HHCS - 1/2" - 20 NF x 2"

4шт.

4

92-8

LOCK WASHER,1/2"

4шт.

5

219-1

LUBE NIPPLE,1/8" - 27 NPTF

FITTING - straight grease (1/8" NPT)

2шт.

6

D26758

WEDGE - trunnion (Used on Harlo #1882 and after) See D24149

2шт.

7

13-672

BOLT,Hex, 3/8" - 16 x 4-1/2", Gr 5

HHCS - 3/8" - 16 NC x 4-1/2"

2шт.

8

92-6

LOCK WASHER,3/8"

2шт.

9

25-106

NUT,3/8"-16, G5

- hex. (3/8" - 16 NC)

2шт.

10

13-1240

BOLT,Hex, 3/4" - 10 x 2-1/2", Gr 5

4шт.

11

92-12

LOCK WASHER,3/4"

WASHER, LOCK, 3/4"

4шт.

12

D24151

BOX - rear weight, 1450 lb. capacity (Use D27435 and D26198)

1шт.

13

D27435

BOX - rear weight, 1450 lb. capacity

1шт.

14

D26198

PLATE - spacer, weight box

2шт.

15

13-828

BOLT,Hex, 1/2" - 13 x 1-3/4", Gr 5

HHCS - 1/2" - 13 NC x 1-3/4"

4шт.

16

92-8

LOCK WASHER,1/2"

4шт.

16a

25-108

NUT,1/2"-13, G5

- hex. (1/2" - 13 NC)

4шт.

17

D24145

YOKE - mounting, R.H. (Used before fork lift serial no. 4065701) When stock is exhausted use D29629

1шт.

D29629

YOKE - mounting, R.H. (Used on fork lift serial no. 4065701 and after) See D24145

1шт.

18

D24146

YOKE - mounting, L.H. (Used before fork lift serial no. 4065701) When stock is exhausted use D29630

1шт.

D29630

YOKE - mounting, L.H. (Used on fork lift serial no. 4065701 and after) See D24146

1шт.

19

13-10128

BOLT,Hex, 5/8" - 11 x 8", Gr 5

8шт.

20

92-10

LOCK WASHER,5/8"

WASHER, LOCK, 5/8"

8шт.

21

25-1010

NUT,5/8"-11, G5

8шт.

22

D24147

PIN

- mounting, mast

2шт.

23

D24148

RING, SNAP

RING - retaining, mounting pin

4шт.

24

219-13

LUBE NIPPLE,3/16" NPTF

FITTING - grease, straight drive (3/16")

2шт.

25

D24150

COVER - slot

2шт.

26

D24080

CYLINDER - hydraulic, 10 degree mast tilt (Used with all 21'6" masts and with 10'6" and 14'3" masts before fork lift serial no. 4074312) See D27002, See Figure 44 for breakdown

2шт.

D27002

CYLINDER - hydraulic, 20 degree mast tilt (Used with 10'6" and 14'3" masts on fork lift serial no. 4074312 and after) See D24080, See Figure 44 for breakdown

2шт.

27

D24083

PIN

- pivot, cylinder at mast

2шт.

28

D24084

CLIP

- retaining, pivot pin

4шт.

29

D29696

COUNTERWEIGHT - rear (Machinery item)

1шт.

On units prior to forklift S/N 4037301, the lip on the weight box will have to be reversed to accommodate the cast weight.

1шт.

Выбрано товаров: 35