Запчасти Case 530 (22) - SIDE SHIFTER AND HYDRAULICS, STANDARD 21 FOOT 6 INCH MAST (83) - TELESCOPIC SINGLE ARM

Схема запчастей Case 530 - (22) - SIDE SHIFTER AND HYDRAULICS, STANDARD 21 FOOT 6 INCH MAST (83) - TELESCOPIC SINGLE ARM
FIT
1:1
100%

Артикул

Название

Примечание

Количество

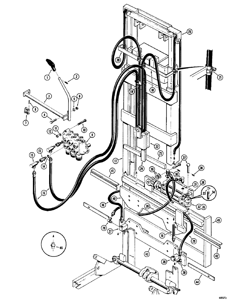
D24288

LEVER

ASSEMBLY - side shift control

1шт.

1

D24184

KNOB - lever

1шт.

2

138-57

LOCK PIN,1/8" x 3/4", Slotted

PIN, 1/8" x 3/4", Slotted

1шт.

3

NSS

NOT SOLD SEPARAT

LEVER - control

1шт.

4

413-632

BOLT,Hex, 3/8" - 16 x 2", Gr 5

- 3/8" - 16 NC x 2"

2шт.

5

92-6

LOCK WASHER,3/8"

2шт.

6

25-106

NUT,3/8"-16, G5

- hex. (3/8" - 16 NC)

2шт.

7

D24140

LINK

- connecting

1шт.

8

132-6

COTTER PIN,1/16" x 5/8"

Pin, Split (Cotter) 1/16" x 5/8"

2шт.

9

D28968

VALVE

- hyd., control (Early production) Parts list figure 84

1шт.

Early production has NPT fittings. Late production has O-ring fittings at valve cylinder ports.

1шт.

D39472

VALVE - hyd., control (Late production) Parts list page 86

1шт.

Early production has NPT fittings. Late production has O-ring fittings at valve cylinder ports.

1шт.

10

13-636

BOLT,Hex, 3/8" - 16 x 2-1/4", Gr 5

3шт.

11

92-6

LOCK WASHER,3/8"

3шт.

12

25-106

NUT,3/8"-16, G5

- hex. (3/8" - 16 NC)

3шт.

13

D39479

X

ADAPTER - straight, male (Late production only)

2шт.

14

237-6010

O-RING,0.097" Thk x 0.755" ID, -910, Cl 6, 90 Duro

SEAL - O-ring

1шт.

15

D24170

X

ADAPTER - 90 degrees, swivel

2шт.

16

D24300

HOSE - hydraulic, control valve to hose retainer (332" long)

2шт.

17

D24238

MAST ASSMEBLY - standard 21" 6" (See figure 12 for component parts)

1шт.

18

D24297

BRACKET - hose, R.H.

1шт.

19

D24298

BRACKET - hose, center

1шт.

20

D24296

BRACKET - hose, L.H.

1шт.

21

214-253

HOSE CLAMP,#10, 0.56" - 1.06", Type F Worm

CLAMP - hose

6шт.

22

D24292

COUNTERWEIGHT - hydraulic hose

1шт.

23

D24299

SUPPORT - counterweight guide

1шт.

24

D24293

GUIDE - counterweight

1шт.

25

D24294

PULLEY - hose guide

2шт.

26

D28151

BLOCK - hose retainer (Welded to lower backing plate) R.H.

1шт.

27

D28149

BLOCK - hose retainer (Welded to lower backing plate) L.H.

1шт.

28

R14868

X

ELBOW - 90 degrees, street

2шт.

29

D24304

HOSE

- hydraulic, retainer to cylinder (41-1/2" long)

2шт.

D26362

CYLINDER AND GUARD

1шт.

30

D24312

X

ADAPTER - 90 degrees, swivel (Early production)

2шт.

D40196

X

ELBOW - 90 degrees, adjustable (Late production)

2шт.

31

237-6010

O-RING,0.097" Thk x 0.755" ID, -910, Cl 6, 90 Duro

SEAL - O-ring (D40196 elbow only)

1шт.

32

D24102

CYLINDER - hydraulic, side shift (2-1/2" I.D. x 6" stroke) (Early production (Parts list figure 62)

1шт.

Early production has NPT fittings. Late production has O-ring fittings at valve cylinder ports.

1шт.

33

D24084

CLIP

- retaining, use with D24083

4шт.

34

D24083

PIN

- cylinder mounting (When stock is exhausted use D36819)

2шт.

35

D40197

CYLINDER

- hydraulic, side shift (2-1/2" I.D. x 6" stroke) Late production (Parts list figure 74)

1шт.

Early production has NPT fittings. Late production has O-ring fittings at valve cylinder ports.

1шт.

36

138-142

LOCK PIN,1/4" x 2", Slotted

PIN, 1/4" x 2", Slotted

2шт.

37

D36819

PIN,30.23mm OD x 111.25mm L

- cylinder mounting

2шт.

38

D26363

GUARD - cylinder

1шт.

39

60916

WASHER

- spacer

2шт.

40

D29828

PLATE - backing, upper

1шт.

41

D32575

PLATE - wear, brass (1/8" x 7/8" x 16")

2шт.

42

D32576

PLATE - wear, brass (1/8" x 3/4" x 16")

2шт.

43

D29832

PLATE - backing, lower

1шт.

44

D29833

PLATE - wear, brass (1/8" x 1-1/4" x 16")

2шт.

45

D29831

FRAME - side shifting

1шт.

46

219-13

LUBE NIPPLE,3/16" NPTF

FITTING - grease, straight (3/16" drive)

4шт.

Выбрано товаров: 54