Запчасти Case 584 (54) - HOOD AND RELATED PARTS (90) - PLATFORM, CAB, BODYWORK AND DECALS

Схема запчастей Case 584 - (54) - HOOD AND RELATED PARTS (90) - PLATFORM, CAB, BODYWORK AND DECALS
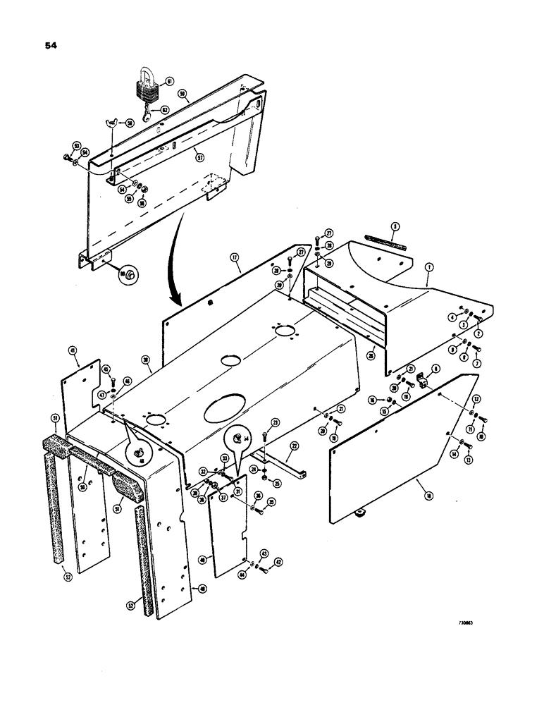
19
28
27
53
44
25
29
57
40
33
15
55
2
18
54
43
4
59
4
3
36
17
45
9
13
51
47
41
20
10
62
50
16
51
32
29
61
28
39
21
42
5
40
56
23
8
52
34
26
24
35
20
54
27
22
12
15
46
1
52
37
31
11
30
14
51
7
21
FIT
1:1
100%

Артикул

Название

Примечание

Количество

1

D52808

WRAPPER - console

1шт.

2

113-205

BOLT,Hex, 3/8" - 16 x 5/8", Gr 5

4шт.

3

192-21

LOCK WASHER,3/8"

WASHER, LOCK, 3/8"

4шт.

4

195-525

WASHER,3/8", SAE

- plain (3/8") Zinc plated

4шт.

5

D52812

RUBBER STRIP

TRIM - quickedge

1шт.

6

D52803

BRACKET - support, wrapper to sid shields

2шт.

7

113-207

BOLT,Hex, 3/8" - 16 x 1", Gr 5

2шт.

8

192-21

LOCK WASHER,3/8"

WASHER, LOCK, 3/8"

2шт.

9

195-525

WASHER,3/8", SAE

- plain (3/8") Zinc plated

2шт.

10

13-410

BOLT,Hex, 1/4" - 20 x 5/8", Gr 5, Full Thd

2шт.

11

92-4

LOCK WASHER,1/4"

WASHER, LOCK, 1/4"

2шт.

12

195-18

WASHER,1/4"

- plain () 1/4"

2шт.

13

113-207

BOLT,Hex, 3/8" - 16 x 1", Gr 5

2шт.

14

195-525

WASHER,3/8", SAE

- plain (3/8") Zinc plated

2шт.

15

192-21

LOCK WASHER,3/8"

WASHER, LOCK, 3/8"

2шт.

16

25-106

NUT,3/8"-16, G5

- hex. (3/8" - 16 NC)

2шт.

17

D53806

PANEL - side, L.H.

1шт.

18

D53805

PANEL - side, R.H. (Shuttle models only)

1шт.

18

D56857

PANEL - side, R.H. (With access hole for torque tube dipstick) Hydrostatic models only (Not shown)

1шт.

18a

D55028

PLATE

- cover, access hole for torque tube dipstick (Hydro- static models only) Not shown

1шт.

18b

13-612

BOLT,Hex, 3/8" - 16 x 3/4", Gr 5, Full Thd

Cover plate mounting, not shown Hex, 3/8"-16 x 3/4", G5, Full Thd

2шт.

18c

192-21

LOCK WASHER,3/8"

WASHER, LOCK, , Not shown 3/8"

2шт.

19

113-207

BOLT,Hex, 3/8" - 16 x 1", Gr 5

4шт.

20

192-21

LOCK WASHER,3/8"

WASHER, LOCK, 3/8"

4шт.

21

195-525

WASHER,3/8", SAE

- plain (3/8") Zinc plated

4шт.

22

D53036

STRAP

TIE STRAP - hood (Before tractor Sn. 5227705)

1шт.

22

D50704

STRAP

TIE STRAP - hood (Tractor Sn. 5227705 and after)

1шт.

23

113-207

BOLT,Hex, 3/8" - 16 x 1", Gr 5

2шт.

24

192-21

LOCK WASHER,3/8"

WASHER, LOCK, , If used 3/8"

2шт.

25

131-652

LOCK NUT,3/8"-16, GB

NUT - hex., lock (3/8" - 16 NC)

2шт.

26

D53993

BRACKET

- hood to console wrapper (Before Sn. 5227705)

1шт.

26

D55499

BRACKET

- hood to console wrapper (Tractor Sn. 5227705 and after)

1шт.

27

113-207

BOLT,Hex, 3/8" - 16 x 1", Gr 5

5шт.

28

192-21

LOCK WASHER,3/8"

WASHER, LOCK, 3/8"

5шт.

29

195-525

WASHER,3/8", SAE

- plain (3/8") Zinc plated

5шт.

30

D49653

HOOD - engine

1шт.

31

113-101

BOLT,Hex, 5/16" - 18 x 1-1/2", Gr 5

2шт.

32

195-521

WASHER,5/16", SAE

- plain (5/16") Zinc plated (If used)

2шт.

33.

192-20

LOCK WASHER,Helical Spring, 0.318" ID, CST, ZND

WASHER, LOCK, , If used 5/16"

2шт.

34

131-113

SPRING NUT,J, Ret, 5/16"-18

Tinnerman, If used J, Ret, 5/16"-18

2шт.

35

113-103

BOLT,Hex, 5/16" - 18 x 1", Gr 5

If used Hex, 5/16"-18 x 1", G5, Full Thd

2шт.

36

195-521

WASHER,5/16", SAE

- plain (5/16") Zinc plated

2шт.

37

D31074

SPACER

- radiator

2шт.

38

92-5

LOCK WASHER,5/16"

2шт.

39

9635082

NUT,5/16" - 18, Gr 5

- hex. (5/16" - 18 NC)

2шт.

40

D52805

PANEL - side, R.H.

1шт.

41

D52806

PANEL

- side, L.H.

1шт.

42

113-131

HHCS - 5/16" - 18 NC x 1/2" (Zinc plated)

2шт.

43

192-20

LOCK WASHER,Helical Spring, 0.318" ID, CST, ZND

WASHER, LOCK, 5/16"

2шт.

44

195-521

WASHER,5/16", SAE

- plain (5/16") Zinc plated

2шт.

45

113-103

BOLT,Hex, 5/16" - 18 x 1", Gr 5

4шт.

46

195-521

WASHER,5/16", SAE

- plain (5/16") Zinc plated

4шт.

47

192-20

LOCK WASHER,Helical Spring, 0.318" ID, CST, ZND

WASHER, LOCK, 5/16"

4шт.

48

131-113

SPRING NUT,J, Ret, 5/16"-18

Tinnerman J, Ret, 5/16"-18

4шт.

49

D52887

FRAME - radiator and grille

1шт.

50

G46280

BAFFLE

- top, center

1шт.

51

G46278

BAFFLE

- top

2шт.

52

D31270

INSULATOR

BAFFLE - side

2шт.

53

113-207

BOLT,Hex, 3/8" - 16 x 1", Gr 5

Hanger mtg. Hex, 3/8"-16 x 1", G5, Full Thd

4шт.

54

195-525

WASHER,3/8", SAE

- flat (3/8") Zinc plated

10шт.

55

192-21

LOCK WASHER,3/8"

WASHER, LOCK, 3/8"

4шт.

56

129-103

NUT,Hex, 3/8" - 16, Gr 5

NUT, 3/8"-16, G5

4шт.

57

D58506

HANGER - R.H. side panel

1шт.

57

D56420

HANGER - L.H. side panel

1шт.

58

129-409

WING NUT,1/4"-20

NUT, WING, 1/4"-20

4шт.

59

D56416

PANEL - R.H. side

1шт.

59

D56417

PANEL - L.H. side

1шт.

60

D55964

GROMMET - rubber bumper

8шт.

61

R29554

LOCK

- padlock

2шт.

62

R29555

KEY

- lock

2шт.

Выбрано товаров: 70