Запчасти Case 586D (108) - PARKING BRAKE ALARM (55) - ELECTRICAL SYSTEMS

Схема запчастей Case 586D - (108) - PARKING BRAKE ALARM (55) - ELECTRICAL SYSTEMS
11
7
20
8
4
3
17
16
2
15
23
5
6
10
22
14
21
12
19
18
1
9
21
13
18
FIT
1:1
100%

Артикул

Название

Примечание

Количество

1

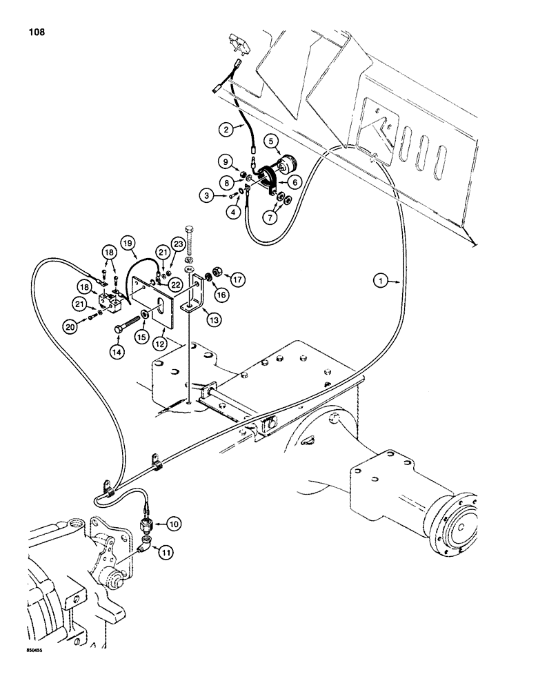
D128229

ELECTRICAL WIRE

HARNESS - parking brake alarm

1шт.

2

D75454

ELECTRICAL WIRE

WIRE - circuit, Serial Range: breaker-alarm

1шт.

3

182-81

SCREW,Slotted Pan Hd, #8-32 x 3/16"

MACHINE SCREW - pan head slotted, No. 8 - 32 NC x 3/16"

1шт.

4

193-90

LOCK WASHER,Ext, #8

WASHER, LOCK, Ext, #8

1шт.

5

D126995

BUZZER

ALARM - parking brake

1шт.

6

S98801

CLAMP

- alarm mounting, mounts to existing instrument panel stud

1шт.

7

195-533

WASHER,1/2", SAE

- flat, 1/2", plated

2шт.

8

195-2011

WASHER,5/16" x 1" x .083"

- flat, 1/4", special

1шт.

9

7770

NUT,Hex, 1/4 - 20, Cl 5

1/4"-20, G5

1шт.

10

D127319

SWITCH

- pressure

1шт.

11

221-411

ELBOW,90 Degree, 1/8"-27, NPT

Street, replaces existing 1/8" pipe plug located on the right-hand side of the power shuttle behind the shift lever 90º, 1/8"-27, NPT

1шт.

12

D128291

PLATE

- micro switch mounting

1шт.

14

113-233

BOLT,Hex, 3/8" - 16 x 1-3/4", Gr 5

1шт.

15

95-6

WASHER,3/8"

- flat, 3/8"

1шт.

16

192-21

LOCK WASHER,3/8"

WASHER, LOCK, 3/8"

1шт.

17

129-103

NUT,Hex, 3/8" - 16, Gr 5

NUT, 3/8"-16, G5

1шт.

18

D40921

SWITCH

- micro

1шт.

19

D126935

ELECTRICAL WIRE

WIRE - ground, micro switch

1шт.

20

182-530

SCREW,Sl Pan Hd, #6 - 32 x 1 1/4"

MACHINE SCREW - pan head slotted, No. 6 - 32 NC x 1-1/4", plated

2шт.

21

195-507

WASHER,#6

- flat, No. 6, plated

4шт.

22

193-4

LOCK WASHER,Ext Tooth, 0.145" ID x 0.318" OD, STL, PLN

WASHER, LOCK, Ext Tooth, #6

1шт.

23

193-1003

NUT,Keps, w/LW,#6-32

AND LOCK WASHER - No. 6 - 32 NC, plated

2шт.

Выбрано товаров: 22