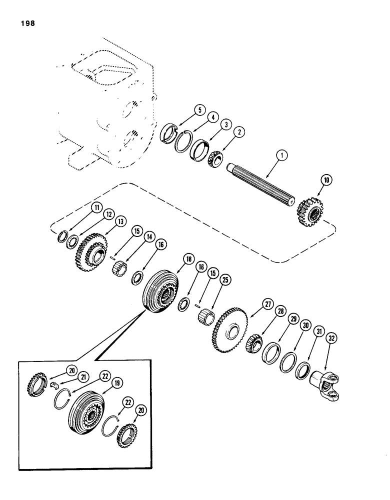
Запчасти Case 586D (198) - TRANSAXLE MAINSHAFT, TRANSMISSION SERIAL NO. 16249203 AND AFTER, 2 AND 4 WD (21) - TRANSMISSION

Схема запчастей Case 586D - (198) - TRANSAXLE MAINSHAFT, TRANSMISSION SERIAL NO. 16249203 AND AFTER, 2 AND 4 WD (21) - TRANSMISSION
16
30
10
20
22
11
25
22
27
12
28
4
19
15
14
32
3
16
2
29
1
21
15
20
18
5
31
13
FIT
1:1
100%

Артикул

Название

Примечание

Количество

1

A168330

SHAFT

MAINSHAFT - transaxle

1шт.

2

T20939

ROLLER BEARING,1.25" ID x 0.771"

CONE - bearing, rear, 1-1/4 inch ID (32 mm)

1шт.

3

A29977

BEARING CUP

CUP - bearing, rear, 2-3/4 inch OD (70 mm)

1шт.

4

A29971

RING

- snap, rear bearing retaining

1шт.

5

G10616

CUP

- oiling, mainshaft, rear

1шт.

10

A168172

GEAR

- sliding, first and second (16 and 25 external and 24 internal teeth)

1шт.

11

A26946

RING

- snap, gear retaining

1шт.

12

A140239

COLLAR,24T

COLLAR - thrust, third and fourth gears (24 internal teeth)

1шт.

13

A136597

GEAR

- sliding, third (27 and 35 external teeth)

1шт.

14

A150317

BUSHING,39.69mm ID x 46.01mm OD x 22.63mm L

- third gear (24 internal teeth)

1шт.

15

A168375

NEEDLE ROLLER

PIN - bushing

1шт.

16

A157470

WASHER,36.51mm ID x 52.32mm OD x 3.2mm Thk

- thrust, third and fourth gears, 1/8 inch (3 mm) thick with 24 internal teeth

2шт.

18

A138655

GEAR

SYNCHRONIZER ASSEMBLY - mainshaft, Includes: Ref. 19 - 22

1шт.

19

NSS

NOT SOLD SEPARAT

HUB AND SLEEVE ASSEMBLY - (Reference No. G45047)

1шт.

20

A45568

SPECIAL RING

RING - blocking

2шт.

21

G46078

PLATE

- shifter

3шт.

22

L33396

SPRING

- lock ring

2шт.

25

A150318

BUSHING,39.69mm ID x 46.01mm OD x 32.11mm L

- fourth gear

1шт.

27

A154650

GEAR

- sliding, fourth (27 and 44 external teeth)

1шт.

28

H753566

ROLLER BEARING

CONE - bearing, front, 1-9/16 inch ID (40 mm)

1шт.

29

H75374

CUP - bearing, front, 2-7/8 inch OD (73 mm)

1шт.

30

A51527

SHIM,.035" Thk

Front bearing (0.89 mm) .035" Thk

1шт.

30

G10341

SHIM,.005" Thk

Front bearing (0.13 mm) .005" Thk

1шт.

30

G10340

SHIM,.007" Thk

(0.18 mm), Front bearing .007" Thk

1шт.

31

A154253

OIL SEAL

- oil front (2 wheel drive only)

1шт.

32

N6834

YOKE

- power input

1шт.

Выбрано товаров: 26