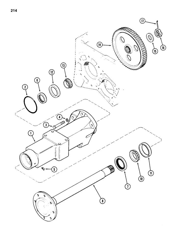
Запчасти Case 586D (214) - TRANSAXLE FRONT AXLE, PRIOR TO TRANSMISSION SERIAL NO. 16249203 (25) - FRONT AXLE SYSTEM

Схема запчастей Case 586D - (214) - TRANSAXLE FRONT AXLE, PRIOR TO TRANSMISSION SERIAL NO. 16249203 (25) - FRONT AXLE SYSTEM
16
1
12
8
2
10
6
13
11
15
14
5
7
17
3
4
FIT
1:1
100%

Артикул

Название

Примечание

Количество

1

A138286

HOUSING

- axle, left hand

1шт.

1

A138287

HOUSING

- axle, right hand (Not shown)

1шт.

2

G10347

O-RING,0.139" Thk x 4.984" ID, -250, Cl 5, 75 Duro

- axle housing to transmission housing

2шт.

3

113-2619

BOLT,Hex, 5/8" - 11 x 2", Gr 8

2шт.

3

26-1036

BOLT,Hex, 5/8" - 11 x 2-1/4", Gr 8

- hex, 5/8 NC x 2-1/4 inch

6шт.

3

26-1064

BOLT,Hex, 5/8" - 11 x 4", Gr 8

- hex, 5/8 NC x 4 inch

2шт.

4

192-25

LOCK WASHER,5/8"

WASHER, LOCK, 5/8"

10шт.

5

219-36

LUBE NIPPLE,45 Degree Elbow, 1/8" - 27 NPTF

FITTING - grease, 1/8 inch PT, 45 degree

2шт.

6

G13801

OIL SEAL

- oil, inner, 3-1/8 inch (79 mm) OD

2шт.

7

G13822

SEAL,73.66mm ID x 110.13mm OD x 11mm Thk

- oil, outer, 4-3/8 inch (111 mm) OD

2шт.

8

A138233

SHAFT

- front axle

2шт.

10

G15207

ROLLER BEARING

CONE - bearing, outer, 2-5/8 inch ID (67 mm)

2шт.

11

G15208

BEARING CUP,110mm OD x 18.82mm W

CUP - bearing, outer, 4-11/32 inch OD (110 mm)

2шт.

12

G10415

BEARING CUP

CUP - bearing, inner, 3-15/16 inch OD (101 mm)

2шт.

13

L33289

ROLLER BEARING,57.1565mm ID x 21.857mm Thk

CONE - bearing, inner, 2-1/4 inch ID (57 mm)

2шт.

14

A168925

GEAR

- final drive (Bull gear) (66 external and 17 internal teeth) (Replaces A37925)

2шт.

15

F62105

WASHER,38.89mm ID x 69.85mm OD x 6.35mm Thk

- take-up

2шт.

16

A30075

WHEEL NUT

- hex slotted, 1/2 inch NF

2шт.

17

132-352

COTTER PIN,1/4" x 2 1/2"

Pin, Split (Cotter), (6 x 63 mm) 1/4" x 2 1/2"

2шт.

Выбрано товаров: 19