Запчасти Case 584E (6-20) - SHUTTLE CONTROL AND LINKAGE (06) - POWER TRAIN

Схема запчастей Case 584E - (6-20) - SHUTTLE CONTROL AND LINKAGE (06) - POWER TRAIN
5
20
1
23
25
22
28
28
31
10
7
2
35
23
19
36
16
38
24
38
12
21
26
35
9
18
28
19
33
30
17
14
6
28
10
31
13
26
22
3
24
17
37
8
29
21
34
37
11
27
34
27
32
18
15
36
16
4
FIT
1:1
100%

Артикул

Название

Примечание

Количество

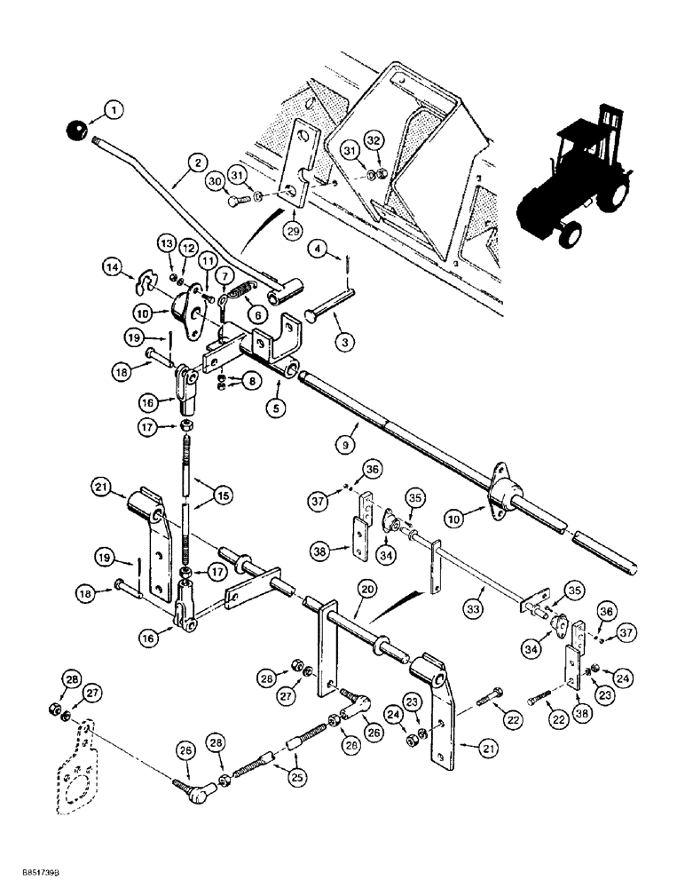
1

D59912

KNOB

- lever

1шт.

2

D77330

LEVER

- shuttle control

1шт.

3

427-6225

CLEVIS PIN,3/8" x 2 1/4"

PIN - clevis, 3/8 x 2-1/4 inch, hardened

1шт.

4

432-610

COTTER PIN,3/32" x 5/8"

PIN, SPLIT (COTTER), 3/32" x 5/8"

1-2шт.

5

D146103

PIVOT

BELLCRANK - shuttle control lever (Replaces bellcrank D77115)

1шт.

6

D91097

SPRING

- shuttle control lever

1шт.

7

F13855

SCREW,#10 - 24 x 1 45/64"

EYEBOLT - spring tightening

1шт.

8

225-14110

NUT,#10-24

2шт.

9

D68519

SHAFT

- pivot, control levers, upper

1шт.

For mast control levers and linkage, see Figure 9-2.

1шт.

10

L15401

BEARING,15.89mm ID

- pivot, self-alligning, 5/8 inch

2шт.

11

413-512

BOLT,Hex, 5/16" - 18 x 3/4", Gr 5

- hex, 5/16 NC x 3/4 inch

4шт.

12

492-11031

LOCK WASHER,5/16"

WASHER, LOCK, 5/16"

4шт.

13

425-105

NUT,5/16"-18, G5

- hex, 5/16 inch NC

4шт.

14

D95096

SNAP RING,M15.88 x 1.27mm Thk

- retaining

2шт.

15

R26943

ROD

- shuttle control

1шт.

16

213-125

ADJUSTABLE CLEVIS,5/16" - 32

CLEVIS - adjustable, 5/16 inch NF, plated metal, Replaces fiberglass clevis on some models

2шт.

17

425-115

NUT,5/16"-24, G5

- hex, 5/16 inch NF

2шт.

18

427-5094

CLEVIS PIN,7.92mm OD x 23.88mm L

Rod ends 5/16" x .940", HDN

2шт.

19

432-610

COTTER PIN,3/32" x 5/8"

PIN, SPLIT (COTTER), 3/32" x 5/8"

2шт.

20

D68619

SHAFT

- shuttle control, lower, used on models with single and dual cylinder (site view) masts, no longer available, order shaft D146105, Ref. 33

1шт.

21

D77722

BRACKET

- shaft mounting used with Ref. 20 shaft only

2шт.

22

413-520

BOLT,Hex, 5/16" - 18 x 1-1/4", Gr 5

- hex, 5/16 NC x 1-1/4 inch

4шт.

23

492-11031

LOCK WASHER,5/16"

WASHER, LOCK, 5/16"

4шт.

24

425-105

NUT,5/16"-18, G5

- hex, 5/16 inch NC

4шт.

25

D148385

ROD

- to power shuttle (Replaced rod D132458)

1шт.

26

A10329

BALL JOINT,1/4" - 28 x 1"

JOINT - ball, 1/4 inch NF

2шт.

27

492-11025

LOCK WASHER,1/4"

WASHER, LOCK, 1/4"

2шт.

28

425-114

NUT,1/4"-28, G5

4шт.

29

D135563

PLATE

- wear, shuttle control lever, Start Serial: 1702158

1шт.

30

413-516

BOLT,Hex, 5/16" - 18 x 1", Gr 5

- hex, 5/16 NC x 1 inch, mounts wear plate to console

2шт.

31

493-41033

LOCK WASHER,0.33" ID x 0.61" OD x 0.03" Thk

WASHER, LOCK, Ext Tooth, 5/16"

4шт.

32

425-105

NUT,5/16"-18, G5

- hex, 5/16 inch NC

2шт.

33

D146105

SHAFT

- shuttle control, lower, used on models with 31 degree forward tilt mast

1шт.

34

R29593

FLANGED BEARING,1.125" OD x 0.562"

BEARING - flange, used with Ref. 33 shaft only

2шт.

35

413-416

BOLT,Hex, 1/4" - 20 x 1", Gr 5

- hex, 1/4 NC x 1 inch, used with Ref. 33 shaft only

4шт.

36

492-11025

LOCK WASHER,1/4"

WASHER, LOCK, , Used with Ref. 33 shaft only 1/4"

4шт.

37

425-104

NUT,1/4"-20, Cl 5

- hex, 1/4 inch NC, used with Ref. 33 shaft only

4шт.

38

D146108

BRACKET

- shaft mounting, used with Ref. 33 shaft only

2шт.

Выбрано товаров: 0