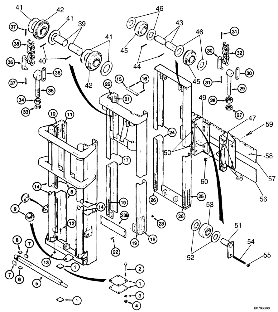
Запчасти Case 584E (9-020) - 6.5 M (21-1/2 FOOT) MAST FOR 584E, MODELS WITH DUAL LIFT CYLINDERS, W/O 31 DEGREE FORWARD MAST TILT (09) - CHASSIS/ATTACHMENTS

Схема запчастей Case 584E - (9-020) - 6.5 M (21-1/2 FOOT) MAST FOR 584E, MODELS WITH DUAL LIFT CYLINDERS, W/O 31 DEGREE FORWARD MAST TILT (09) - CHASSIS/ATTACHMENTS
38
39
7
14
24
15
6
5
60
36
5
50
53
7
34
41
37
10
21
4
41
19
41
19
4
26
42
55
28
36
32
22
4
18
25
29
7
26
56
1
5
23
16
8
45
1
11
3
46
14
20
9
54
30
6
52
42
33
40
17
6
47
1
51
2
23a
35
12
59
37
27
58
13
31
49
30
44
FIT
1:1
100%

Артикул

Название

Примечание

Количество

D141851

MAST ASSEMBLY

- forklift, 6.5 m (21-1/2 foot), machinery Ref., order from machinery price list, no longer available as an assembly, Includes: Ref. 1 - 60

1шт.

For replacement, call C.A.M., and provide the following information: model number, machine and mast serial numbers, and mast specifics (number of lift cylinders, travel height, and degree of tilt), before ordering.

1шт.

1

D88745

LARGE PLATE

PLATE - trunnion bar end (Replaces plate D142420)

4шт.

2

413-548

BOLT,Hex, 5/16" - 18 x 3", Gr 5

- hex, 5/16 NC x 3 inch

8шт.

3

492-11031

LOCK WASHER,5/16"

WASHER, LOCK, 5/16"

8шт.

4

425-105

NUT,5/16"-18, G5

- hex, 5/16 inch NC

8шт.

5

D75934

BAR

- trunnion

1шт.

6

D40841

LARGE PLATE

PLATE - wear, 50 (1-61/64) x 51 (2) x 6.4 mm (1/4 inch), horizontal

4шт.

7

D40840

LARGE PLATE

PLATE - wear, 62.3 (2-29/64) x 51 (2) x 6.4 mm (1/4 inch), vertical

4шт.

D142540

FRAME ASSY

FRAME ASSEMBLY - mast, outer, Includes: Ref. 8 - 11

1шт.

For replacement, call C.A.M., and provide the following information: model number, machine and mast serial numbers, and mast specifics (number of lift cylinders, travel height, and degree of tilt), before ordering.

1шт.

8

NSS

NOT SOLD SEPARAT

FRAME - outer, order frame assembly D142540

1шт.

9

D40843

BUSHING,25.4mm ID x 38.1mm OD x 24.38mm L

- self-aligning

3шт.

10

D32555

PAD

PLATE - wear, 3 (1/8) thick x 127 mm (5 inch) long

2шт.

11

D27363

WEAR PAD

PLATE - wear, 5 (3.16) x 152 mm (6 inch) long

4шт.

12

413-648

BOLT,Hex, 3/8" - 16 x 3", Gr 5

2шт.

13

232-1446

NUT,3/8"-16, GC

NUT, LOCK, 3/8"-16, GC

2шт.

14

REF

INSTRUCTION

CYLINDER ASSEMBLY - lift, 76 (3) ID x 2159 mm (85 inch) stroke, see Figure 8-36 for correct assembly

2шт.

15

D142413

PIN

- cylinder mounting

2шт.

16

432-1220

COTTER PIN,3/16" x 1 1/4"

3/16" x 1 1/4"

4шт.

D142539

FRAME ASSY

FRAME ASSEMBLY - mast, center, Includes: Ref. 17 - 23A

1шт.

For replacement, call C.A.M., and provide the following information: model number, machine and mast serial numbers, and mast specifics (number of lift cylinders, travel height, and degree of tilt), before ordering.

1шт.

17

NSS

NOT SOLD SEPARAT

FRAME - center, order frame assembly D142539

1шт.

18

D27362

WEAR PAD

PLATE - wear, 3 (1/8) thick x 254 mm (10 inch) long

2шт.

19

D27365

PAD

PLATE - wear, 5 (3/16) thick x 254 mm (10 inch) long

4шт.

20

D32555

PAD

PLATE - wear, 3 (1/8) thick x 127 mm (5 inch) long

2шт.

21

D27363

WEAR PAD

PLATE - wear, 5 (3/16) x 152 mm (6 inch) long

4шт.

22

413-820

BOLT,Hex, 1/2" - 13 x 1-1/4", Gr 5

- hex, 1/2 NC x 1-1/4 inch

4шт.

23

425-148

JAM NUT,Jam, 1/2"-13, G5

- hex, jam, 1/2 inch NC

4шт.

23a

NSS

NOT SOLD SEPARAT

PLATE - reinforcement

1шт.

D142421

FRAME ASSY

FRAME ASSEMBLY - mast, inner, Includes: Ref. 24 - 26

1шт.

For replacement, call C.A.M., and provide the following information: model number, machine and mast serial numbers, and mast specifics (number of lift cylinders, travel height, and degree of tilt), before ordering.

1шт.

24

NSS

NOT SOLD SEPARAT

FRAME - inner, order frame assembly D142421

1шт.

25

60972

STRIP

PLATE - wear, 3 (1/8) thick x 279 mm (11 inch) long

2шт.

26

D36586

PLATE

- wear, 5 (3.16) thick x 279 (11 inch) long

4шт.

27

425-1512

JAM NUT,Jam, 3/4"-10, G5

- hex, jam, 3/4 inch NF, eyebolt, outer frame

2шт.

28

425-1112

NUT,3/4"-16, G5

- hex, 3/4 inch NF, eyebolt, outer

2шт.

29

D142541

BOLT

BOLT - eye, 1 inch NF, outer frame

2шт.

30

N6010

LINK,50.749mm Pitch

ASSEMBLY - master, chain, outer frame, Includes: Ref. 31

4шт.

31

432-812

COTTER PIN,3/4" OAL x 1/8" W

PIN, SPLIT (COTTER), 1/8" x 3/4"

2шт.

32

D34446

CHAIN

- rollerless, #85, 113 links, outer frame

2шт.

33

425-1516

JAM NUT,Jam, 1"-14, G5

- hex, jam, 1 inch NF, eyebolt, inner frame

2шт.

34

425-1116

NUT,1"-14, G5

- hex, 1 inch NF, eyebolt, inner frame

2шт.

35

N6877

BOLT

BOLT - eye, 1 inch NF, inner frame

2шт.

36

N6878

CHAIN LINK

LINK ASSEMBLY - master, chain, inner frame, Includes: Ref. 37

4шт.

37

432-812

COTTER PIN,3/4" OAL x 1/8" W

PIN, SPLIT (COTTER), 1/8" x 3/4"

2шт.

38

D73665

CHAIN (AG)

CHAIN - rollerless, #105, 95 links, inner frame

4шт.

39

N7324

KIT

PIN ASSEMBLY - guide wheel, sheave, center frame

2шт.

40

432-1240

COTTER PIN,3/16" x 2 1/2"

center frame 3/16" x 2 1/2"

2шт.

41

D36582

WASHER

- thrust, sheave, center frame

4шт.

42

D39482

SUPPORT,1.75" ID x 4.3" OD x 1.51"

WHEEL - chain guide, center frame

2шт.

43

D87070

PIN

- wheel, sheave, inner frame

2шт.

44

432-1232

COTTER PIN,3/16" OD x 2" L

inner frame 3/16" x 2"

2шт.

45

D87069

SPROCKET ASSY.

WHEEL - chain guide, inner frame

2шт.

46

60944

THRUST WASHER

- thrust, sheave, inner frame

4шт.

47

D142558

SUPPORT ASSY.

CARRIAGE ASSEMBLY - mast, right-hand, Includes: Ref. 48

1шт.

Supplied without holes. See service manual for instructions on how to template the holes from the existing pieces.

1шт.

48

N7958

PLATE

- wear, bronze

2шт.

49

D142557

SUPPORT ASSY.

CARRIAGE ASSEMBLY - mast, left-hand, Includes: Ref. 50

1шт.

Supplied without holes. See service manual for instructions on how to template the holes from the existing pieces.

1шт.

50

N7958

PLATE

- wear, bronze

2шт.

51

D86604

AXLE

PIN ASSEMBLY - roller (Replaces pin D47899)

4шт.

51a

211-1006

BALL,3/16" Dia

- chrome alloy steel, 3/16 inch, grade 24, if used, not shown

4шт.

52

60917

THRUST WASHER

WASHER - thrust, roller

4шт.

53

D47894

ROLLER BEARING,25.39mm ID x 63.5mm OD x 32.26mm W

ROLLER - load

4шт.

54

83-45048

SET SCREW,Hex Soc, 1/2"-13 x 3"

SCREW - set, hex socket headless, 1/2 NC x 3 inch, oval point

4шт.

55

425-148

JAM NUT,Jam, 1/2"-13, G5

- hex, jam, 1/2 inch NC, plated

4шт.

56

D142363

PLATE

- backing, carriage, lower, 25 mm (1 inch) thick, lower

1шт.

57

D142364

PLATE

- backing, carriage, upper, 25 mm (1 inch) thick, upper

1шт.

58

38-32832

PIN,7/16" x 2", Coiled

2шт.

59

61-35032

HEX SOC SCREW,1/2"-13 x 2"

BOLT - hex socket, 1/2 NC x 2 inch

16шт.

60

425-148

JAM NUT,Jam, 1/2"-13, G5

- hex, jam, 1/2 inch NC, plated

16шт.

Выбрано товаров: 72