Запчасти Case 584E (9-142) - DELUXE OPERATORS SEAT, BASE AND ADJUSTING PARTS (09) - CHASSIS/ATTACHMENTS

Схема запчастей Case 584E - (9-142) - DELUXE OPERATORS SEAT, BASE AND ADJUSTING PARTS (09) - CHASSIS/ATTACHMENTS
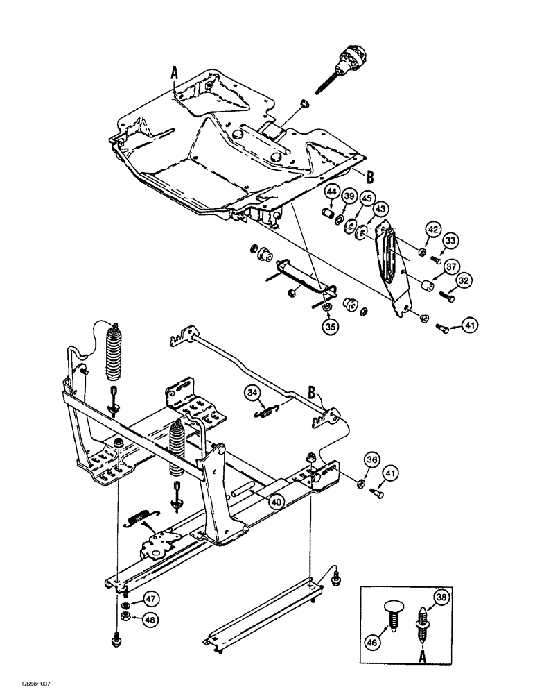
38
35
45
48
32
40
46
37
41
41
39
43
36
44
33
34
47
42
FIT
1:1
100%

Артикул

Название

Примечание

Количество

D129790

SEAT

ASSEMBLY - operators, deluxe, brown vinyl, Includes: Ref. 33 - 48 and Ref. 1 - 31 on Figure 9-140

1шт.

178764A1

SEAT

ASSEMBLY - operators, deluxe, gray vinyl, Includes: Ref. 33 - 48 and Ref. 1 - 31 on Figure 9-140

1шт.

32

413-520

BOLT,Hex, 5/16" - 18 x 1-1/4", Gr 5

- hex, 5/16 NC x 1-1/4 inch

2шт.

33

413-510

BOLT,Hex, 5/16" - 18 x 5/8", Gr 5

- hex, 5/16 NC x 5/8 inch

2шт.

34

L35503

SPRING

- seat

1шт.

35

131-435

PUSH-ON NUT,Push, 3/8"

NUT - push-on type, 3/8 inch

2шт.

36

495-11041

WASHER,0.406" ID x 0.812" OD x 0.065" W

(Flat, 13/32 x 13/16 x 1/16") 3/8", SAE

2шт.

37

K627041

BUSHING

SPACER - backrest support

2шт.

38

N13712

CLIP,ELECTRICAL

CLIP - rubber cover, retaining

12шт.

39

N13713

WASHER

- spring, backrest support

2шт.

40

NSS

NOT SOLD SEPARAT

GRIP - vinyl, adjuster

1шт.

41

N13716

BOLT

BOLT - shoulder, special

4шт.

42

N13718

SPACER

- support

2шт.

43

N13719

WASHER

- support

2шт.

44

N13720

NUT

- special

2шт.

45

495-21056

WASHER,1/2"

- flat, 9/16 x 1-3/8 x 7/64 inch

2шт.

46

N13703

CLIP,ELECTRICAL

CLIP - backrest shell, retaining

7шт.

47

492-11031

LOCK WASHER,5/16"

WASHER, LOCK, 5/16"

4шт.

48

425-105

NUT,5/16"-18, G5

- hex, 5/16 inch NC

4шт.

Выбрано товаров: 19