Запчасти Case 584E (2-11) - COLD START SYSTEM (02) - ENGINE

Схема запчастей Case 584E - (2-11) - COLD START SYSTEM (02) - ENGINE
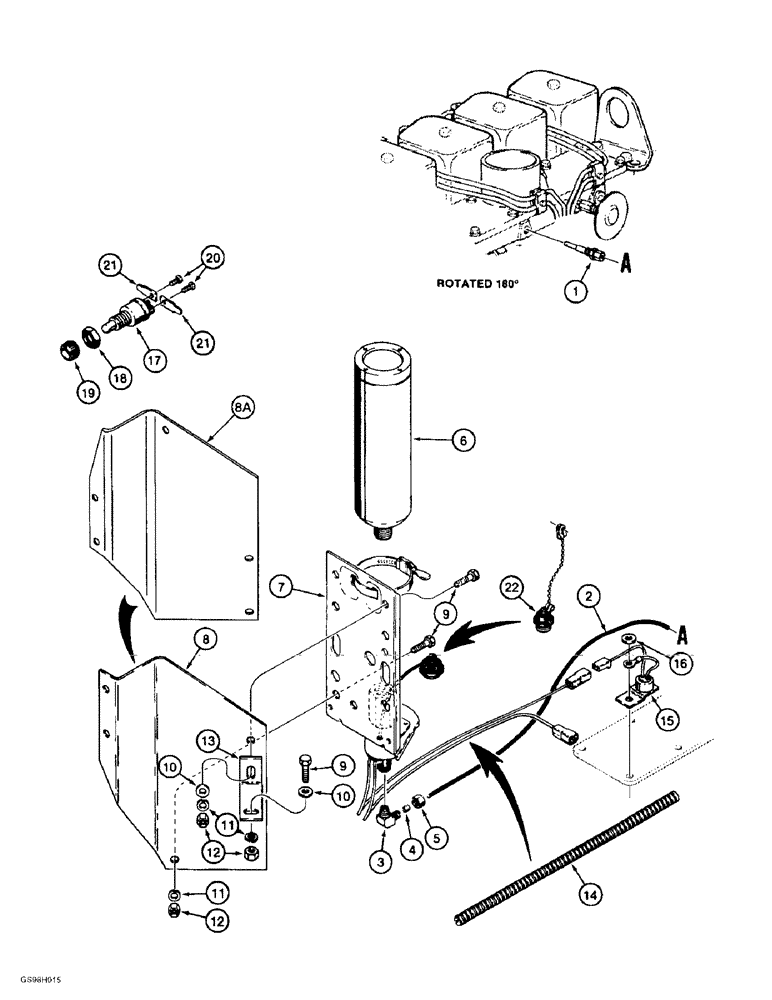
3
12
22
7
8
8a
5
10
11
19
11
14
18
15
9
4
13
6
1
16
10
20
2
9
12
17
21
21
FIT
1:1
100%

Артикул

Название

Примечание

Количество

1

A172900

NOZZLE CAP

NOZZLE ASEMBLY - atomizer, component parts not serviced separately

1шт.

2

D41013

TUBE

- 457 mm (18 inch) long, cut from L60539X bulk tube, see below

1шт.

222-615

ELBOW,90 Degree, 5/16"-24 x 1/8" NPT, Comp

1/8 tube OD, Incl. Ref 3 - 5 90º, 5/16"-24 x 1/8" NPT, Comp

1шт.

3

NSS

NOT SOLD SEPARAT

BODY - elbow

1шт.

4

222-650

SLEEVE,1/8" Tube, Comp

Tapered 1/8" Tube, Comp

1шт.

5

222-660

FLANGE NUT,5/16"-24, 45 Degree Fl, Comp

1/8" tube OD 5/16"-24, 45º Fl, Comp

1шт.

6

A171940

CYLINDER

- starting fluid, purchase locally

1шт.

7

A172116

VALVE

ASSEMBLY - cold start, 3 cc, with bracket, no serviceable componets

1шт.

8

D129723

BRACKET

- valve mounting, attaches to air cleaner mounting bracket, Serial Range: -JJG251722

1шт.

8a

296792A1

BRACKET

- valve mounting, attaches to air cleaner mounting bracket, Start Serial: JJG251722

1шт.

9

413-616

BOLT,Hex, 3/8" - 16 x 1", Gr 5

- hex, 3/8 NC x 1 inch

3шт.

10

495-11041

WASHER,0.406" ID x 0.812" OD x 0.065" W

- flat, 1/32 x 13/16 x 1/16 inch

2шт.

11

492-11038

LOCK WASHER,3/8"

3шт.

12

425-106

NUT,3/8"-16, Cl 5

3шт.

13

D131719

ANGLE

SUPPORT - valve to mounting bracket to air cleaner

1шт.

14

D128402

PLASTIC-RUBBER TUBE

SLEEVE - wire guard, 380 mm (15 inch) long

1шт.

15

A171943

IGNITION SWITCH

SENDER - uses existing intake manifold mounting hardware

1шт.

16

495-11034

WASHER,5/16", SAE

5/16" SAE (flat, 11/32 x 11/16 x 1/16")

1шт.

L72776

SWITCH

ASSEMBLY - push button, Includes: Ref. 18 - 20

1шт.

17

NSS

NOT SOLD SEPARAT

SWITCH - cold start, order switch assembly

1шт.

18

H275784

JAM NUT

- hex, special

1шт.

19

D73741

NUT

- hex, special

1шт.

20

459-1104

SCREW,Slotted Pan Hd, #10-32 x 1/4"

- machine, pan head slotted, No. 10 NF x 1/4 inch

2шт.

21

L59682

TERMINAL CONNECTOR

TERMINAL - blade, straight, used with L72776 switch

2шт.

22

N8826

PLUG

- with chain, placed in starting fluid valve when starting canister is not in place, if used

1шт.

L60539X

TUBE

- bulk, nylon, 3 (1/8) ID x 4267 mm (168 inch) long

1шт.

Выбрано товаров: 26