Запчасти Case 584E (6-08) - POWER SHUTTLE MOUNTING AND DIPSTICK (06) - POWER TRAIN

Схема запчастей Case 584E - (6-08) - POWER SHUTTLE MOUNTING AND DIPSTICK (06) - POWER TRAIN
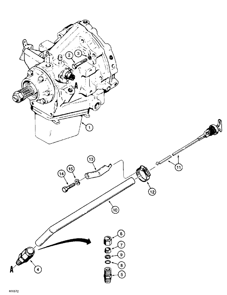
1
12
15
11
13
7
9
4
10
3
6
14
8
2
5
FIT
1:1
100%

Артикул

Название

Примечание

Количество

1

REF

INSTRUCTION

SHUTTLE ASSEMBLY - power, for correct assembly and components see Figure 6-10 through 6-18

1шт.

2

413-752

BOLT,Hex, 7/16" - 14 x 3-1/4", Gr 5

- hex, 7/16 NC x 3-1/4 inch

6шт.

3

492-11044

LOCK WASHER,7/16"

WASHER, LOCK, 7/16"

6шт.

4

222-3006

FITTING,1 1/2"-12 x 3/4" NPT

ADAPTER - compression, 1 tube OD x 3/4 inch PT, Includes: Ref. 5 - 9

1шт.

5

NSS

NOT SOLD SEPARAT

BODY - connector, order adapter assembly

1шт.

6

222-3111

TUBE NUT,1"-12

NUT - hex, 1 tube OD x 1-1/2-13 inch

1шт.

7

222-3105

SLEEVE,1" Tube

- 1 inch tube OD

1шт.

8

238-5214

O-RING,0.139" Thk x 0.984" ID, -214, Cl 5, 75 Duro

1шт.

9

D54295

RING

- backup, connector O-ring

1шт.

10

D143418

TUBE

- filler, power shuttle (Replaces tube D125818)

1шт.

11

D125819

GAUGE

DIPSTICK - power shuttle

1шт.

12

214-1412

HOSE CLAMP,#12, 0.69" - 1.25", Type F Worm

CLAMP, HOSE, #12, 0.69/1.25 Type F Worm

1шт.

13

D121358

SUPPORT

- filler tube

1шт.

14

613-10035

BOLT,Hex, M10 x 1.5 x 35mm, Cl 8.8, Full Thd

- hex, full threads, 10 - 1.5 x 35 mm

1шт.

15

892-11010

LOCK WASHER,M10

1шт.

Выбрано товаров: 15