Запчасти Case 585E (8-24) - HYDRAULIC PUMP ASSEMBLY (08) - HYDRAULICS

Схема запчастей Case 585E - (8-24) - HYDRAULIC PUMP ASSEMBLY (08) - HYDRAULICS
9
2
6
14
13
8
12
3
5
10
1
11
7
4
4
FIT
1:1
100%

Артикул

Название

Примечание

Количество

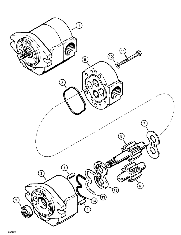
1

D73079

PUMP

ASSEMBLY - hydraulic equipment, no longer available, order pump assembly 102480A1, parts list Figure 8-25A, Includes: Ref. 2 - 14

1шт.

2

D73624

SEAL

- drive gear shaft

1шт.

3

D74415

BODY

- shaft end

1шт.

4

D58188

PIN

- dowel, body

2шт.

5

D74416

GEAR

- drive, hydraulic pump, must also replace driven gear D74417 (Ref. 6) as a matched set

1шт.

6

D74417

GEAR

- driven, hydraulic pump, must also replace drive gear D74416 (Ref. 5) as a matched set

1шт.

7

D73623

PLATE

- thrust

1шт.

8

D73622

SPECIAL RING

SEAL - square section

1шт.

9

D73615

COVER

- port end

1шт.

10

D74441

WASHER

- special

8шт.

11

413-652

BOLT,Hex, 3/8" - 16 x 3-1/4", Gr 5

- hex, 3/8 NC x 3-1/4 inch

8шт.

12

N9773

PLATE

- wear, gear, bronze

1шт.

13

N9772

SEAL

- flat, wear plate

1шт.

14

N9771

SEAL

- grooved, wear plate

1шт.

Выбрано товаров: 14