Запчасти Case 585E (9-060) - 6.5 M (21-1/2 FOOT) MAST FOR 585E, MODELS WITH SINGLE LIFT CYLINDER (09) - CHASSIS/ATTACHMENTS

Схема запчастей Case 585E - (9-060) - 6.5 M (21-1/2 FOOT) MAST FOR 585E, MODELS WITH SINGLE LIFT CYLINDER (09) - CHASSIS/ATTACHMENTS
23
44
1
5
51
58
33
40
30
4
53
21
10
18
54
22
13
19
38
42
12
25
28
39
24
43
20
34
49
9
47
56
2
50
7
3
11
29
5
26
57
41
46
45
14
27
60
35
36
15
16
31
48
17
33
61
19
8
6
59
55
FIT
1:1
100%

Артикул

Название

Примечание

Количество

D121920

MAST ASSEMBLY

- forklift, 6.5 m (21-1/2 foot), machinery Ref., order from machinery price list, no longer available as an assembly, Includes: Ref. 1 - 61

1шт.

For replacement, call C.A.M., and provide the following information: model number, machine and mast serial numbers, and mast specifics (number of lift cylinders, travel height, and degree of tilt), before ordering.

1шт.

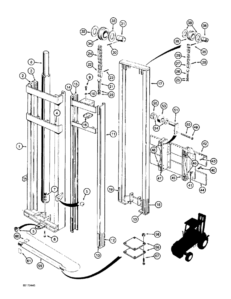
1

N8801

FRAME ASSY

FRAME ASSEMBLY - mast, outer, Includes: Ref. 2 - 5

1шт.

For replacement, call C.A.M., and provide the following information: model number, machine and mast serial numbers, and mast specifics (number of lift cylinders, travel height, and degree of tilt), before ordering.

1шт.

2

D55411

STRIP

PLATE - wear, 3 (1/8) thick x 152 mm (6 inch) long

2шт.

3

D55409

STRIP

PLATE - wear, 5 (3/16) thick x 152 mm (6 inch) long

4шт.

4

D47895

WEAR PAD

PLATE - wear, 5 (3/16) thick x 114 mm (4-1/2 inch) long

2шт.

5

D40843

BUSHING,25.4mm ID x 38.1mm OD x 24.38mm L

- self-aligning

3шт.

6

113-353

BOLT,Hex, 7/16" - 14 x 6", Gr 5

- hex, 7/16 NC x 6 inch

1шт.

7

231-1447

NUT,7/16"-14, GB

NUT, LOCK, 7/16"-14, GB

1шт.

8

REF

INSTRUCTION

CYLINDER ASSEMBLY - lift, parts list Figure 8-34

1шт.

9

165-166

HEX SOC SCREW,Prev Torque, 1/2" - 20 x 2"

BOLT - hex socket, self-locking, 1/2 NF x 2 inch

2шт.

10

80679

LOCK WASHER,1/20.507 CST ZND

WASHER, LOCK, 1/2"

2шт.

11

D74410

FRAME ASSY

FRAME ASSEMBLY - mast, center, Includes: Ref. 12 - 15

1шт.

For replacement, call C.A.M., and provide the following information: model number, machine and mast serial numbers, and mast specifics (number of lift cylinders, travel height, and degree of tilt), before ordering.

1шт.

12

D55412

STRIP

PLATE - wear, 3 (1/8) thick x 254 mm (10 inch) long

2шт.

13

D55410

STRIP

PLATE - wear, 5 (3/16) thick x 254 mm (10 inch) long

4шт.

14

D55411

STRIP

PLATE - wear, 3 (1/8) thick x 152 mm (6 inch) long

2шт.

15

D55409

STRIP

PLATE - wear, 5 (3/16) thick x 152 mm (6 inch) long

4шт.

16

D74412

PLATE

- spacer

1шт.

17

D74411

FRAME

ASSEMBLY - mast, inner, Includes: Ref. 18 and 19

1шт.

For replacement, call C.A.M., and provide the following information: model number, machine and mast serial numbers, and mast specifics (number of lift cylinders, travel height, and degree of tilt), before ordering.

1шт.

18

D27362

WEAR PAD

PLATE - wear, 3 (1/8) thick x 254 mm (10 inch) long

2шт.

19

D27365

PAD

PLATE - wear, 5 (3/16) thick x 254 mm (10 inch) long

4шт.

20

425-1116

NUT,1"-14, G5

- hex, 1 inch NF

4шт.

21

N6877

BOLT

BOLT - eye, 1 inch NF

2шт.

22

N6878

CHAIN LINK

LINK ASSEMBLY - master, chain, inner chain, Includes: Ref. 23

4шт.

23

432-812

COTTER PIN,3/4" OAL x 1/8" W

PIN, SPLIT (COTTER), 1/8" x 3/4"

2шт.

24

D73665

CHAIN (AG)

CHAIN - rollerless, #105, 95 links

2шт.

25

425-1112

NUT,3/4"-16, G5

- hex, 3/4 inch NF

4шт.

26

N6011

BOLT

BOLT - eye, 3/4 inch NF, for service order both N6011 bolt and N6010 link, reference number 27

2шт.

27

N6010

LINK,50.749mm Pitch

ASSEMBLY - master, chain, outer chain, Includes: Ref. 28

4шт.

28

432-610

COTTER PIN,3/32" x 5/8"

PIN, SPLIT (COTTER), 3/32" x 5/8"

2шт.

29

D74408

CHAIN (AG)

CHAIN - rollerless, #85, 111 links

2шт.

30

432-1240

COTTER PIN,3/16" x 2 1/2"

3/16" x 2 1/2"

2шт.

31

N7324

KIT

PIN ASSEMBLY - guide wheel, includes grease fitting not required, Includes: Ref. 32

2шт.

32

211-1006

BALL,3/16" Dia

- chrome alloy steel, 3/16 inch, grade 24, if used, not shown

1шт.

33

D36582

WASHER

- thrust, inner wheel

4шт.

34

D39482

SUPPORT,1.75" ID x 4.3" OD x 1.51"

WHEEL - chain guide

2шт.

35

432-1232

COTTER PIN,3/16" OD x 2" L

3/16" x 2"

2шт.

36

D87070

PIN

- wheel, service, includes grease fitting not required, Includes: Ref. 37

2шт.

37

211-1006

BALL,3/16" Dia

- chrome alloy steel, 3/16 inch, grade 24, if used, not shown

1шт.

38

60944

THRUST WASHER

- thrust, wheel, outer chain guide

4шт.

39

D87069

SPROCKET ASSY.

WHEEL - chain guide, sealed, outer chain

2шт.

40

61-828

HEX SOC SCREW,1/2"-13 x 1 3/4"

BOLT - hex socket, 1/2 NC x 1-3/4 inch

16шт.

41

425-148

JAM NUT,Jam, 1/2"-13, G5

- hex, jam, 1/2 inch NC

16шт.

42

D74406

LARGE PLATE

PLATE - backing, upper, 25 (1) thick x 1524 mm (60 inch) wide

1шт.

43

38-32832

PIN,7/16" x 2", Coiled

2шт.

44

D74405

PLATE

- backing, lower, 25 (1) thick x 1524 mm (60 inch) wide

1шт.

45

N8805

SUPPORT ASSY.

CARRIAGE ASSEMBLY - mast, right-hand

1шт.

Carriages must be aligned and drilled at time of installation.

1шт.

46

D55407

WEAR PAD

PLATE - wear, bronze, 14.29 (9/16) x 26.99 (1-1/16) x 63.5 mm (2-1/2 inch)

2шт.

47

N8806

SUPPORT ASSY.

CARRIAGE ASSEMBLY - mast, left-hand

1шт.

Carriages must be aligned and drilled at time of installation.

1шт.

48

D55407

WEAR PAD

PLATE - wear, bronze, 14.29 (9/16) x 26.99 (1-1/16) x 63.5 mm (2-1/2 inch)

2шт.

49

425-148

JAM NUT,Jam, 1/2"-13, G5

- hex, jam, 1/2 inch NC

4шт.

50

178-692

SET SCREW,Hex Soc, 1/2"-13 x 2 3/4"

SCREW - set, hex socket headless, 1/2 NC x 2-3/4 inch

4шт.

51

D86606

AXLE

PIN ASSEMBLY - carriage roller, includes grease fitting not required

4шт.

52

211-1006

BALL,3/16" Dia

- chrome alloy steel, 3/16 inch, grade 24, if used, not shown

1шт.

53

D52299

BEARING, ROLLER,31.75mm ID x 76.2mm OD x 32mm W

BEARING - carriage roller

4шт.

54

D52298

WASHER,32.16mm ID x 69.85mm OD x 2.77mm Thk

- thrust, 32 (1-1/4) x 70 (2-3/4) x 2.8 mm (7/64 inch) thick

8шт.

55

D55404

WASHER,32.16mm ID x 69.85mm OD x 6.35mm Thk

- thrust, 32 (1-1/4) x 70 (2-3/4) x 6.35 mm (1/4 inch) thick

4шт.

56

D88745

LARGE PLATE

PLATE - trunnion bar end

4шт.

57

413-548

BOLT,Hex, 5/16" - 18 x 3", Gr 5

- hex, 5/16 NC x 3 inch, plated

8шт.

58

131-4

LOCK NUT,5/16"-18, GB

NUT - hex, self-locking, 5/16 inch NC

8шт.

59

D75934

BAR

- trunnion

1шт.

60

D40841

LARGE PLATE

PLATE - wear, 50 (1-61/64) x 51 (2) x 6.4 mm (1/4 inch), horizontal

4шт.

61

D40840

LARGE PLATE

PLATE - wear, 62.3 (2-29/64) x 51 (2) x 6.4 mm (1/4 inch), vertical

4шт.

Выбрано товаров: 68