Запчасти Case 585E (9-068) - 6.5 M (21-1/2 FOOT) MAST FOR 585E, MODELS WITH DUAL LIFT CYLINDER, WITH 31 DEGREE FORWARD MAST TILT (09) - CHASSIS/ATTACHMENTS

Схема запчастей Case 585E - (9-068) - 6.5 M (21-1/2 FOOT) MAST FOR 585E, MODELS WITH DUAL LIFT CYLINDER, WITH 31 DEGREE FORWARD MAST TILT (09) - CHASSIS/ATTACHMENTS
54
47
51
30
38
31
15
36
43
36
48
34
27
23
16
7
26
9
14
41
44
52
23a
24
26
5
58
13
19
60
8
59
41
25
22
46
7
1
33
57
14
56
45
7
20
40
28
21
37
3
1
32
42
35
39
50
6
19
37
9
53
49
1
8
61
31
12
4
29
17
2
30
10
18
11
55
FIT
1:1
100%

Артикул

Название

Примечание

Количество

D146700

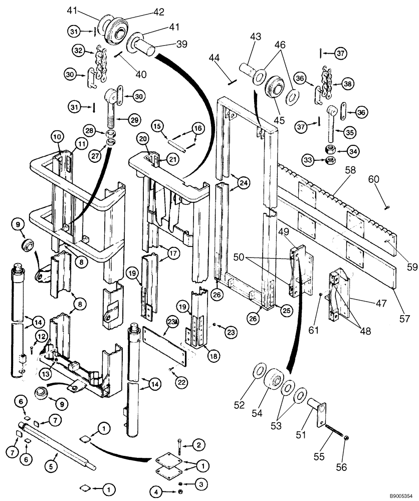
MAST ASSEMBLY

- forklift, 6.5 m (21-1/2 foot), machinery Ref., order from machinery price list, Includes: Ref. 1 - 38 and 39 - 61 on Figure 9-70

1шт.

See note on Figure 9-70.

1шт.

1

D88745

LARGE PLATE

PLATE - trunnion bar end (Replaces plate D142420)

4шт.

2

413-548

BOLT,Hex, 5/16" - 18 x 3", Gr 5

- hex, 5/16 NC x 3 inch

8шт.

3

492-11031

LOCK WASHER,5/16"

WASHER, LOCK, 5/16"

8шт.

4

425-105

NUT,5/16"-18, G5

- hex, 5/16 inch NC

8шт.

5

D75934

BAR

- trunnion

1шт.

6

D40841

LARGE PLATE

PLATE - wear, 50 (1-61/64) x 51 (2) x 6.4 mm (1/4 inch), horizontal

4шт.

7

D40840

LARGE PLATE

PLATE - wear, 62.3 (2-29/64) x 51 (2) x 6.4 mm (1/4 inch), vertical

4шт.

D147658

FRAME ASSY

FRAME ASSEMBLY - mast, outer, Includes: Ref. 8 - 11

1шт.

See note on Figure 9-70.

1шт.

8

NSS

NOT SOLD SEPARAT

FRAME - outer, order frame assembly D147658

1шт.

9

D40843

BUSHING,25.4mm ID x 38.1mm OD x 24.38mm L

- self-aligning

3шт.

10

D55411

STRIP

PLATE - wear, 3 (1/8) thick x 152 mm (6 inch) long

2шт.

11

D55409

STRIP

PLATE - wear, 5 (3/16) thick x 152 mm (6 inch) long

4шт.

12

413-648

BOLT,Hex, 3/8" - 16 x 3", Gr 5

2шт.

13

231-1446

NUT,3/8" - 16, Gr 5

NUT - hex, self-locking, 3/8 inch NC

2шт.

14

281112A1

CYLINDER ASSY.

CYLINDER ASSEMBLY - lift, 76 (3) ID x 2159 mm (85 inch) stroke, parts list Figure 8-36

2шт.

15

D142413

PIN

- cylinder mounting

2шт.

16

432-1220

COTTER PIN,3/16" x 1 1/4"

3/16" x 1 1/4"

4шт.

D142652

FRAME ASSY

FRAME ASSEMBLY - mast, center (Replaces frame assembly D142651), Includes: Ref. 17 - 23A

1шт.

See note on Figure 9-70.

1шт.

17

NSS

NOT SOLD SEPARAT

FRAME - center, order frame assembly

1шт.

18

D55412

STRIP

PLATE - wear, 3 (1/8) thick x 254 mm (10 inch) long

2шт.

19

D55410

STRIP

PLATE - wear, 5 (3/16) thick x 254 mm (10 inch) long

4шт.

20

D55411

STRIP

PLATE - wear, 3 (1/8) thick x 152 mm (6 inch) long

2шт.

21

D55409

STRIP

PLATE - wear, 5 (3/16) thick x 152 mm (6 inch) long

4шт.

22

413-824

BOLT,Hex, 1/2" - 13 x 1-1/2", Gr 5

4шт.

23

425-148

JAM NUT,Jam, 1/2"-13, G5

- hex, jam, 1/2 inch NC

4шт.

23a

NSS

NOT SOLD SEPARAT

PLATE - reinforcement, order frame assembly D142651

1шт.

D142648

FRAME ASSY

FRAME ASSEMBLY - mast, inner (Replaces frame assembly D142647), Includes: Ref. 24 - 26

1шт.

See note on Figure 9-70.

1шт.

24

NSS

NOT SOLD SEPARAT

FRAME - inner, order frame assembly

1шт.

25

D27362

WEAR PAD

PLATE - wear, 3 (1/8) thick x 254 mm (10 inch) long

2шт.

26

D27365

PAD

PLATE - wear, 5 (3/16) thick x 254 mm (10 inch) long

4шт.

27

425-1512

JAM NUT,Jam, 3/4"-10, G5

- hex, jam, 3/4 inch NF, eyebolt, outer frame

2шт.

28

425-1112

NUT,3/4"-16, G5

- hex, 3/4 inch NF, plated, eyebolt, outer frame

2шт.

29

N6011

BOLT

BOLT - eye, 3/4 inch NF, outer frame (Replaces eyebolt D142541)

2шт.

30

N6010

LINK,50.749mm Pitch

ASSEMBLY - master, chain, outer frame, Includes: Ref. 31

4шт.

31

432-812

COTTER PIN,3/4" OAL x 1/8" W

PIN, SPLIT (COTTER), 1/8" x 3/4"

2шт.

32

D142684

CHAIN (AG)

CHAIN - rollerless, #85, 109 links, outer frame

2шт.

33

425-1516

JAM NUT,Jam, 1"-14, G5

- hex, jam, 1 inch NF, eyebolt, inner frame

2шт.

34

425-1116

NUT,1"-14, G5

- hex, 1 inch NF, eyebolt, inner frame

2шт.

35

N6877

BOLT

BOLT - eye, 1 inch NF, inner frame

2шт.

36

N6878

CHAIN LINK

LINK ASSEMBLY - master, chain, inner frame, Includes: Ref. 37

4шт.

37

432-812

COTTER PIN,3/4" OAL x 1/8" W

PIN, SPLIT (COTTER), 1/8" x 3/4"

2шт.

38

D142645

CHAIN (CE)

CHAIN - rollerless, #105, 97 links, inner frame

2шт.

Выбрано товаров: 47