Запчасти Case 585E (9-078) - 8.5 M (28 FOOT) MAST FOR 585E, MODELS WITH DUAL LIFT CYLINDER, WITH 31 DEGREE FORWARD TILT MAST (09) - CHASSIS/ATTACHMENTS

Схема запчастей Case 585E - (9-078) - 8.5 M (28 FOOT) MAST FOR 585E, MODELS WITH DUAL LIFT CYLINDER, WITH 31 DEGREE FORWARD TILT MAST (09) - CHASSIS/ATTACHMENTS
30
33
50
17
39
18
23a
48
51
43
47
15
26
7
55
32
46
38
35
10
9
20
37
23
28
31
34
37
21
19
8
14
16
8
25
53
42
19
58
24
4
3
56
36
1
59
61
26
1
44
9
12
52
41
40
31
7
29
45
30
49
57
60
11
2
1
54
36
7
5
13
14
41
22
27
6
FIT
1:1
100%

Артикул

Название

Примечание

Количество

D146701

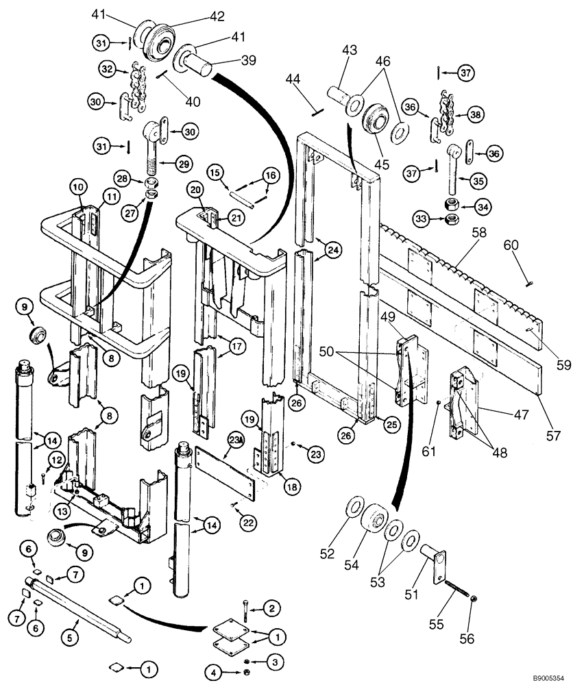
MAST ASSEMBLY

- forklift, 8.5 m (28 foot), Includes: Ref. 39 - 61 and 1 - 38 on Figure 9-76

1шт.

39

N7324

KIT

PIN ASSEMBLY - guide wheel, sheave, center frame (Replaces pin D36584)

2шт.

40

432-1240

COTTER PIN,3/16" x 2 1/2"

center frame 3/16" x 2 1/2"

2шт.

41

D36582

WASHER

- thrust, sheave, center frame

4шт.

42

D39482

SUPPORT,1.75" ID x 4.3" OD x 1.51"

WHEEL - chain guide, center frame

2шт.

43

D87070

PIN

- wheel, sheave, inner frame (Replaces pin 60939)

2шт.

44

432-1232

COTTER PIN,3/16" OD x 2" L

inner frame 3/16" x 2"

2шт.

45

D87069

SPROCKET ASSY.

WHEEL - chain guide, inner frame (Replaces sheave D32588)

2шт.

46

60944

THRUST WASHER

- thrust, sheave, inner frame

4шт.

47

D142642

SUPPORT ASSY.

CARRIAGE ASSEMBLY - mast, right-hand, Includes: Ref. 48

1шт.

48

D55407

WEAR PAD

PLATE - wear, bronze, 14.29 (9/16) x 26.99 (1-1/16) x 63.5 mm (2-1/2 inch)

2шт.

49

D142643

SUPPORT ASSY.

CARRIAGE ASSEMBLY - mast, left-hand, Includes: Ref. 50

1шт.

50

D55407

WEAR PAD

PLATE - wear, bronze, 14.29 (9/16) x 26.99 (1-1/16) x 63.5 mm (2-1/2 inch)

2шт.

51

D86606

AXLE

PIN ASSEMBLY - carriage roller, service, grease fitting not required (Replaces pin D55403), Includes: Ref. 51A

4шт.

51a

211-1006

BALL,3/16" Dia

- chrome alloy steel, 3/16 inch, grade 24, if used, not shown

1шт.

52

D55404

WASHER,32.16mm ID x 69.85mm OD x 6.35mm Thk

- thrust, 32 (1-1/4) x 70 (2-3/4) x 6.35 mm (1/4 inch) thick

4шт.

53

D52298

WASHER,32.16mm ID x 69.85mm OD x 2.77mm Thk

- thrust, 32 (1-1/4) x 70 (2-3/4) x 2.8 mm (7/64 inch) thick

8шт.

54

D52299

BEARING, ROLLER,31.75mm ID x 76.2mm OD x 32mm W

BEARING - carriage roller

4шт.

55

83-45048

SET SCREW,Hex Soc, 1/2"-13 x 3"

SCREW - set, hex socket headless, 1/2 NC x 3 inch, oval point

4шт.

56

425-148

JAM NUT,Jam, 1/2"-13, G5

- hex, jam, 1/2 inch NC

4шт.

57

D74405

PLATE

- backing, lower, 25 (1) thick x 1524 mm (60 inch) wide

1шт.

58

D74406

LARGE PLATE

PLATE - backing, upper, 25 (1) thick x 1524 mm (60 inch) wide

1шт.

59

38-32832

PIN,7/16" x 2", Coiled

2шт.

60

461-35032

HEX SOC SCREW,1/2"-13 x 2"

BOLT - hex socket, 1/2 NC x 2 inch

16шт.

61

425-148

JAM NUT,Jam, 1/2"-13, G5

- hex, jam, 1/2 inch NC

16шт.

Выбрано товаров: 25