Запчасти Case 586E (8-14) - 14 FOOT FREE LIFT MAST LIFT CYLINDER HYDRAULIC CIRCUIT (08) - HYDRAULICS

Схема запчастей Case 586E - (8-14) - 14 FOOT FREE LIFT MAST LIFT CYLINDER HYDRAULIC CIRCUIT (08) - HYDRAULICS
18
12
20
4
16
6
20
21
2
13
19
14
22
10
23
11
3
5
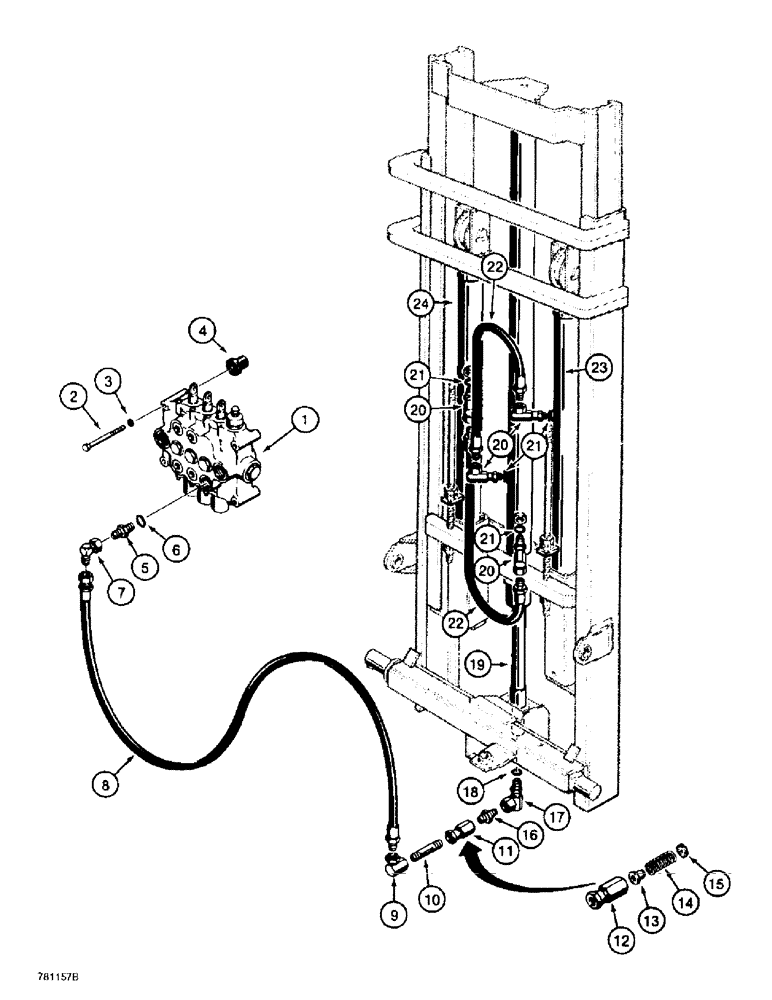
1
9
21
20
22
21
8
17
15
7
24
FIT
1:1
100%

Артикул

Название

Примечание

Количество

1

D124427

VALVE, CHECK

VALVE ASSEMBLY - control, forklift, parts list Figure 8-28 and 8-30

1шт.

2

413-656

BOLT,Hex, 3/8" - 16 x 3-1/2", Gr 5

- hex, 3/8 NC x 3-1/2 inch, plated

3шт.

3

92-11038

LOCK WASHER,3/8"

WASHER, LOCK, 3/8"

3шт.

4

D75755

ISOLATOR

INSULATOR - rubber, valve mounting

3шт.

5

218-5060

HYD CONNECTOR,3/4" - 16 Male JIC x 7/8" - 14 Male ORB

Adapter, straight, O-ring boss, male, Incl. Ref 6 3/4"-16, 37º x 7/8"-14, O-Ring

1шт.

6

237-6010

O-RING,0.097" Thk x 0.755" ID, -910, Cl 6, 90 Duro

10-1, 90 Duro, .755" ID x .097" Thk

1шт.

7

218-5230

ELBOW,90 Degree, 3/4"-16, 37 Degree x 3/4"-16, 37 Degree Fem Sw

- 90 degree, 3/4-16 inch flare x swivel, adjustable

1шт.

8

R17579

HOSE ASSY.

HOSE - 1016 mm (40 inch) long, to lift cylinder

1шт.

9

218-944

ELBOW,90 Degree, 1/2" NPTF Fem x 1/2" NPSM Fem Sw

- 90 degree, 1/2 inch female PT x swivel str pipe, QSC

1шт.

10

D82880

NIPPLE, LUBE

NIPPLE - special

1шт.

11

D82879

FITTING

RESTRICTOR ASSEMBLY - lift cylinder hydraulic circuit, Includes: Ref. 12 - 15

1шт.

12

NSS

NOT SOLD SEPARAT

BODY - restrictor, order assembly D82879

1шт.

13

D48876

SPACER

- restrictor

1шт.

14

D82914

SPRING

- restrictor

1шт.

15

D82915

WASHER

- restrictor

1шт.

16

D82878

FITTING

ADAPTER - straight

1шт.

17

218-5390

90 ELBOW,90 Degree, 1 1/16"-12 O-Ring x 1/2" NPSM Fem

- 90 degree, 1-1/16-12 adj O-ring x 1/2 inch PT, Includes: Ref. 18

1шт.

18

237-6012

O-RING,0.116" Thk x 0.924" ID, -912, Cl 6, 90 Duro

12-1, 90 Duro, .924 ID x .116" Thk

1шт.

19

REF

INSTRUCTION

CYLINDER - lift, center, 14.3 m (14 foot), parts list Figure 8-38

1шт.

20

218-5201

90 ELBOW,90 Degree, 7/8"-14 O-Ring x 1/2" NPSM Fem

- 90 degree, 7/8-14 adj O-ring x 1/2 inch swivel str thread, Includes: Ref. 21

4шт.

21

237-6010

O-RING,0.097" Thk x 0.755" ID, -910, Cl 6, 90 Duro

10-1, 90 Duro, .755" ID x .097" Thk

1шт.

22

D41821

HOSE

- 457 mm (18 inch) long

2шт.

23

REF

INSTRUCTION

CYLINDER - lift, right-hand, 4.3 m (14 foot) mast, parts list Figure 8-38

1шт.

24

REF

INSTRUCTION

CYLINDER - lift, left-hand, 4.3 m (14 foot) mast, parts list Figure 8-38

1шт.

Выбрано товаров: 24