Запчасти Case 586E (9-044) - 3.6 M (12 FOOT) MAST FOR 585E AND 586E, MODELS WITH DUAL LIFT CYLINDER, W/ 31 DEGREE FWD. MAST TILT (09) - CHASSIS/ATTACHMENTS

Схема запчастей Case 586E - (9-044) - 3.6 M (12 FOOT) MAST FOR 585E AND 586E, MODELS WITH DUAL LIFT CYLINDER, W/ 31 DEGREE FWD. MAST TILT (09) - CHASSIS/ATTACHMENTS
19
26
26
17
2
30
31
4
29
11
23
25
28
37
7
15
8
39a
24
40
6
46
14
25
14
6
44
45
8
1
13
21a
23
43
16
40a
19
35
9
41
27
5
22
20
27
7
24
18
39
47
10
9
32
38
3
34
42
36
30
12
33
22
FIT
1:1
100%

Артикул

Название

Примечание

Количество

D146698

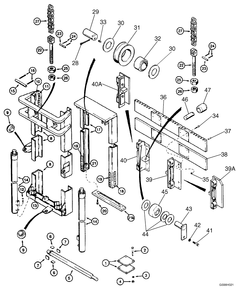
MAST ASSEMBLY - forklift, 3.6 m (12 foot), machinery Ref., order from machinery price list, no longer available, order mast assembly 125638A1, Includes: Ref. 1 - 27 and Ref. 28 - 51 on Figure 9-46

1шт.

For replacement, call C.A.M., and provide the following information: model number, machine and mast serial numbers, and mast specifics (number of lift cylinders, travel height, and degree of tilt), before ordering.

1шт.

125638A1

MAST ASSEMBLY

- forklift, 3.6 m (12 foot), Includes: Ref. 1 - 27 and Ref. 28 - 51 on Figure 9-46

1шт.

For replacement, call C.A.M., and provide the following information: model number, machine and mast serial numbers, and mast specifics (number of lift cylinders, travel height, and degree of tilt), before ordering.

1шт.

1

D88745

LARGE PLATE

PLATE - trunnion bar end (Replaces plate D142420)

4шт.

2

413-548

BOLT,Hex, 5/16" - 18 x 3", Gr 5

- hex, 5/16 NC x 3 inch

8шт.

3

492-11031

LOCK WASHER,5/16"

WASHER, LOCK, 5/16"

8шт.

4

425-105

NUT,5/16"-18, G5

- hex, 5/16 inch NC

8шт.

5

D75934

BAR

- trunnion

1шт.

6

D40841

LARGE PLATE

PLATE - wear, 50 (1-61/64) x 51 (2) x 6.4 mm (1/4 inch), horizontal

4шт.

7

D40840

LARGE PLATE

PLATE - wear, 62.3 (2-29/64) x 51 (2) x 6.4 mm (1/4 inch), vertical

4шт.

D147646

FRAME ASSY

FRAME ASSEMBLY - mast, outer, Includes: Ref. 8 - 11

1шт.

For replacement, call C.A.M., and provide the following information: model number, machine and mast serial numbers, and mast specifics (number of lift cylinders, travel height, and degree of tilt), before ordering.

1шт.

8

NSS

NOT SOLD SEPARAT

FRAME - outer, order frame assembly D147646

1шт.

9

D40843

BUSHING,25.4mm ID x 38.1mm OD x 24.38mm L

- self-aligning

3шт.

10

D32555

PAD

PLATE - wear, 3 (1/8) thick x 127 mm (5 inch) long

2шт.

11

D27365

PAD

PLATE - wear, 5 (3/16) thick x 254 mm (10 inch) long

4шт.

12

413-648

BOLT,Hex, 3/8" - 16 x 3", Gr 5

2шт.

13

231-1446

NUT,3/8" - 16, Gr 5

NUT - hex, self-locking, 3/8 inch NC

2шт.

14

REF

INSTRUCTION

CYLINDER ASSEMBLY - lift, parts list Figure 8-36

2шт.

15

D142413

PIN

- cylinder mounting

2шт.

16

432-1220

COTTER PIN,3/16" x 1 1/4"

3/16" x 1 1/4"

4шт.

D142729

FRAME ASSY

FRAME ASSEMBLY - mast, inner (Replaces frame assembly D142724), Includes: Ref. 17 - 21A

1шт.

For replacement, call C.A.M., and provide the following information: model number, machine and mast serial numbers, and mast specifics (number of lift cylinders, travel height, and degree of tilt), before ordering.

1шт.

17

NSS

NOT SOLD SEPARAT

FRAME - inner, order frame assembly

1шт.

18

60972

STRIP

PLATE - wear, 3 (1/8) thick x 279 mm (11 inch) long

2шт.

19

D36586

PLATE

- wear, 5 (3/16) thick x 279 mm (11 inch) long

4шт.

20

413-832

BOLT,Hex, 1/2" - 13 x 2", Gr 5

4шт.

21

425-108

NUT,1/2" - 13, Gr 5

NUT, , Hex 1/2"-13, G5

4шт.

21a

D145112

TRUSS ROD

PLATE - reinforcement, mast frame

1шт.

22

D82894

ANCHOR

BOLT - special, chain mounting eye

4шт.

23

D82895

PIN

- connecting, Serial Range: chain-eyebolt

4шт.

24

432-812

COTTER PIN,3/4" OAL x 1/8" W

PIN, SPLIT (COTTER), 1/8" x 3/4"

8шт.

25

D82886

NUT

- hex, special, 3/4 inch NF, special

4шт.

26

425-1512

JAM NUT,Jam, 3/4"-10, G5

- hex, jam, 3/4 inch NF

4шт.

27

D142722

CHAIN (AG)

CHAIN - leaf

2шт.

Выбрано товаров: 36