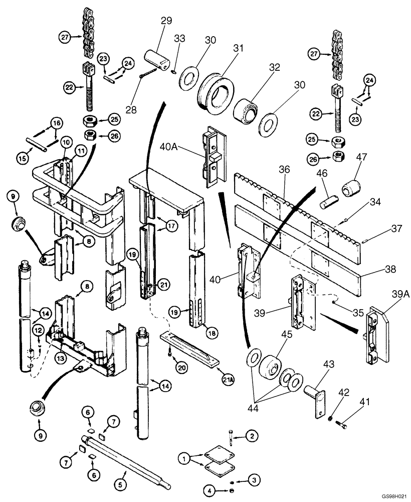
Запчасти Case 586E (9-058) - 4.3 M (14-1/4 FOOT) MAST FOR 585E AND 586E, MODELS WITH DUAL LIFT CYL., W/ 31 DEGREE FWD. MAST TILT (09) - CHASSIS/ATTACHMENTS

Схема запчастей Case 586E - (9-058) - 4.3 M (14-1/4 FOOT) MAST FOR 585E AND 586E, MODELS WITH DUAL LIFT CYL., W/ 31 DEGREE FWD. MAST TILT (09) - CHASSIS/ATTACHMENTS
6
36
2
14
29
19
7
18
17
16
8
30
43
42
40a
38
39a
11
30
45
39
26
24
26
6
34
20
23
10
1
12
21a
41
27
25
19
22
9
28
22
4
27
44
9
15
13
5
40
3
31
25
37
7
8
14
47
35
32
23
24
33
46
FIT
1:1
100%

Артикул

Название

Примечание

Количество

REF

INSTRUCTION

MAST ASSEMBLY - complete, Includes: Ref. 28 - 51 and Ref. 1 - 27 on Figure 9-56

1шт.

28

432-1240

COTTER PIN,3/16" x 2 1/2"

3/16" x 2 1/2"

2шт.

29

N7698

PIN,44.44mm OD x 79.37mm L

- pivot, sheave

2шт.

30

D36582

WASHER

- thrust, sheave

4шт.

31

230001A1

SHEAVE

- chain guide (Replaces sheave D82891)

2шт.

32

D82893

ROLLER BEARING,44.45mm ID x 76.2mm OD x 44.7mm W

BEARING - roller, 45 (1-3/4) x 76 (3) x 45 mm (1-3/4 inch) wide

2шт.

33

219-17

LUBE NIPPLE,3/16" NPTF

FITTING - grease, straight, 3/16 drive type x 17/32"

2шт.

34

461-35036

HEX SOC SCREW,1/2"-13 x 2 1/4"

BOLT - hex socket, 1/2 NC x 2-1/4 inch

16шт.

35

425-148

JAM NUT,Jam, 1/2"-13, G5

- hex, jam, 1/2 inch NC

16шт.

35a

130382A1

ROLLER ASSY.

CARRIAGE - mast, right-hand, used with mast assembly 125111A1

1шт.

36

D142719

PLATE

- backing, upper, carriage, used with mast assembly D146699

1шт.

36

N7692

PLATE

- backing, upper

1шт.

37

38-32832

PIN,7/16" x 2", Coiled

2шт.

38

D142726

PLATE

- backing, lower, carriage, used with mast assembly D146699

1шт.

38

N7691

PLATE

- backing, lower

1шт.

39

D145805

SUPPORT ASSY.

CARRIAGE - mast, right-hand, used with mast assembly D146699

1шт.

39a

130382A1

ROLLER ASSY.

CARRIAGE - mast, right-hand, used with mast assembly 125111A1

1шт.

40

D145806

SUPPORT ASSY.

CARRIAGE - mast, left-hand, used with mast assembly D146659

1шт.

40a

142383A1

ROLLER ASSY.

CARRIAGE - mast, left-hand, used with mast assembly 125111A1

1шт.

41

413-816

BOLT,Hex, 1/2" - 13 x 1", Gr 5

4шт.

42

80679

LOCK WASHER,1/20.507 CST ZND

WASHER, LOCK, 1/2"

4шт.

43

D86605

AXLE

PIN - roller (replaces pin D52297), Includes: Ref. 43A

4шт.

43a

211-1006

BALL,3/16" Dia

- chrome alloy steel, 3/16 inch, grade 24, if used, not shown

1шт.

44

D52298

WASHER,32.16mm ID x 69.85mm OD x 2.77mm Thk

- thrust, 32 (1-1/4) x 70 (2-3/4) x 2.8 mm (7/64 inch) thick

12шт.

43a

211-1006

BALL,3/16" Dia

- chrome alloy steel, 3/16 inch, grade 24, if used, not shown

1шт.

45

D52299

BEARING, ROLLER,31.75mm ID x 76.2mm OD x 32mm W

BEARING - carriage roller

4шт.

46

D36589

PIN,25.4mm OD x 69.85mm L

- side roller, carriage

4шт.

47

D36590

ROLLER

BEARING - side roller, carriage

4шт.

48

38-3812

PIN,3.17mm OD x 19.05mm L, Coiled

used with mast assembly 125111A1 not shown 1/8" x 3/4", Coiled

2шт.

49

413-512

BOLT,Hex, 5/16" - 18 x 3/4", Gr 5

- hex, 5/16 NC x 3/4 inch, used with mast assembly 125111A1, not shown

8шт.

50

461-35040

HEX SOC SCREW,1/2"-13 x 2 1/2"

SCREW, , Used with mast assembly 125111A1, Not shown Hex Soc Hd, 1/2"-13 x 2 1/2"

8шт.

51

461-35032

HEX SOC SCREW,1/2"-13 x 2"

BOLT - hex socket, 1/2 NC x 2 inch, used with mast assembly 125111A1, not shown

8шт.

Выбрано товаров: 32