Запчасти Case 586E (9-092) - 6.5 M (21-1/2 FOOT) MAST FOR 586E, MODELS WITH DUAL LIFT CYLINDER, WITHOUT 31 DEGREE FWD. MAST TILT (09) - CHASSIS/ATTACHMENTS

Схема запчастей Case 586E - (9-092) - 6.5 M (21-1/2 FOOT) MAST FOR 586E, MODELS WITH DUAL LIFT CYLINDER, WITHOUT 31 DEGREE FWD. MAST TILT (09) - CHASSIS/ATTACHMENTS
6
15
7
40
14
6
53
17
19
32
1
23a
9
30
42
19
28
13
47
36
7
54
1
39
31
50
12
22
11
31
27
1
33
29
5
3
23
34
46
44
9
57
2
49
26
32
16
1
45
48
35
8
56
41
43
38
51
29
24
2
37
4
26
10
39
18
55
52
14
FIT
1:1
100%

Артикул

Название

Примечание

Количество

D139031

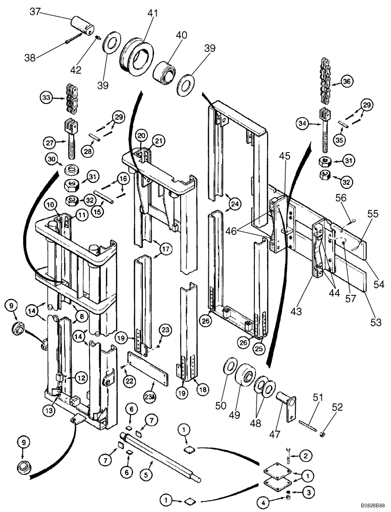
MAST ASSEMBLY

- forklift, 6.5 m (21-1/2 foot), machinery Ref., order from machinery price list, Includes: Ref. 1 - 36 and Ref. 37 - 56 on Figure 9-94

1шт.

See note on Figure 9-94.

1шт.

1

D88745

LARGE PLATE

PLATE - trunnion bar end (Replaces plate D142420)

4шт.

2

413-548

BOLT,Hex, 5/16" - 18 x 3", Gr 5

- hex, 5/16 NC x 3 inch

8шт.

3

492-11031

LOCK WASHER,5/16"

WASHER, LOCK, 5/16"

8шт.

4

425-105

NUT,5/16"-18, G5

- hex, 5/16 inch NC

8шт.

5

D75934

BAR

- trunnion

1шт.

6

D40841

LARGE PLATE

PLATE - wear, 50 (1-61/64) x 51 (2) x 6.4 mm (1/4 inch), horizontal

4шт.

7

D40840

LARGE PLATE

PLATE - wear, 62.3 (2-29/64) x 51 (2) x 6.4 mm (1/4 inch), vertical

4шт.

D142842

FRAME ASSY

FRAME ASSEMBLY - mast, outer, Includes: Ref. 8 - 11

1шт.

See note on Figure 9-94.

1шт.

8

NSS

NOT SOLD SEPARAT

FRAME - outer, order frame assembly

1шт.

9

D40843

BUSHING,25.4mm ID x 38.1mm OD x 24.38mm L

- self-aligning

3шт.

10

D55411

STRIP

PLATE - wear, 3 (1/8) thick x 152 mm (6 inch) long

2шт.

11

D55409

STRIP

PLATE - wear, 5 (3/16) thick x 152 mm (6 inch) long

4шт.

12

413-648

BOLT,Hex, 3/8" - 16 x 3", Gr 5

2шт.

13

231-1446

NUT,3/8" - 16, Gr 5

NUT - hex, self-locking, 3/8 inch NC

2шт.

14

REF

INSTRUCTION

CYLINDER ASSEMBLY - lift, 76 (3) ID x 2159 mm (85 inch) stroke, parts list Figure 8-36

2шт.

15

D142413

PIN

- cylinder mounting

2шт.

16

432-1220

COTTER PIN,3/16" x 1 1/4"

3/16" x 1 1/4"

4шт.

D142863

FRAME ASSY

FRAME ASSEMBLY - mast, center (Replaces frame assembly D142843), Includes: Ref. 17 - 23A

1шт.

See note on Figure 9-94.

1шт.

17

NSS

NOT SOLD SEPARAT

FRAME - center, order frame assembly

1шт.

18

D55412

STRIP

PLATE - wear, 3 (1/8) thick x 254 mm (10 inch) long

2шт.

19

D55410

STRIP

PLATE - wear, 5 (3/16) thick x 254 mm (10 inch) long

4шт.

20

D55411

STRIP

PLATE - wear, 3 (1/8) thick x 152 mm (6 inch) long, no longer available, order 254 mm (10 inch) plate D55412, Ref. 18

2шт.

21

D55409

STRIP

PLATE - wear, 5 (3/16) thick x 152 mm (6 inch) long, no longer available, order 254 mm (10 inch) plate D55410, Ref. 19

4шт.

22

413-824

BOLT,Hex, 1/2" - 13 x 1-1/2", Gr 5

4шт.

23

425-148

JAM NUT,Jam, 1/2"-13, G5

- hex, jam, 1/2 inch NC

4шт.

23a

NSS

NOT SOLD SEPARAT

PLATE - reinforcement

1шт.

D142869

FRAME ASSY

FRAME ASSEMBLY - mast, inner (Replaces frame assembly D142844), Includes: Ref. 24 - 26

1шт.

See note on Figure 9-94.

1шт.

24

NSS

NOT SOLD SEPARAT

FRAME - inner, order frame assembly

1шт.

25

D27362

WEAR PAD

PLATE - wear, 3 (1/8) thick x 254 mm (10 inch) long

2шт.

26

D27365

PAD

PLATE - wear, 5 (3/16) thick x 254 mm (10 inch) long

4шт.

27

N7701

ANCHOR

BOLT - special, chain anchor, 1 inch NF, outer frame

2шт.

28

N7700

PIN

- chain connecting, outer frame

4шт.

29

432-812

COTTER PIN,3/4" OAL x 1/8" W

PIN, SPLIT (COTTER), 1/8" x 3/4"

16шт.

30

N7702

WASHER

- special, eyebolt, outer frame

2шт.

31

D82886

NUT

- hex, special, 3/4 inch NF

4шт.

32

425-1512

JAM NUT,Jam, 3/4"-10, G5

- hex, jam, 3/4 inch NF

4шт.

33

D143092

CHAIN

CHAIN - leaf, 127 links, outer frame

2шт.

34

D82894

ANCHOR

BOLT - special, chain mounting eye, inner frame

4шт.

35

D82895

PIN

- connecting, inner frame

4шт.

36

N7693

CHAIN

CHAIN - leaf, 113 links, inner frame

2шт.

Выбрано товаров: 45