Запчасти Case 586E (9-094) - 6.5 M (21-1/2 FOOT) MAST FOR 586E, MODELS WITH DUAL LIFT CYLINDER WITHOUT 31 DEGREE FWD. MAST TILT (09) - CHASSIS/ATTACHMENTS

Схема запчастей Case 586E - (9-094) - 6.5 M (21-1/2 FOOT) MAST FOR 586E, MODELS WITH DUAL LIFT CYLINDER WITHOUT 31 DEGREE FWD. MAST TILT (09) - CHASSIS/ATTACHMENTS
12
3
27
54
6
7
51
6
4
36
57
34
15
55
1
48
1
5
38
45
18
28
19
40
11
33
46
31
9
26
47
39
56
32
50
16
8
41
2
32
53
2
49
23
1
24
9
30
37
23a
43
39
14
13
26
17
35
29
7
14
1
31
10
19
22
44
42
29
52
FIT
1:1
100%

Артикул

Название

Примечание

Количество

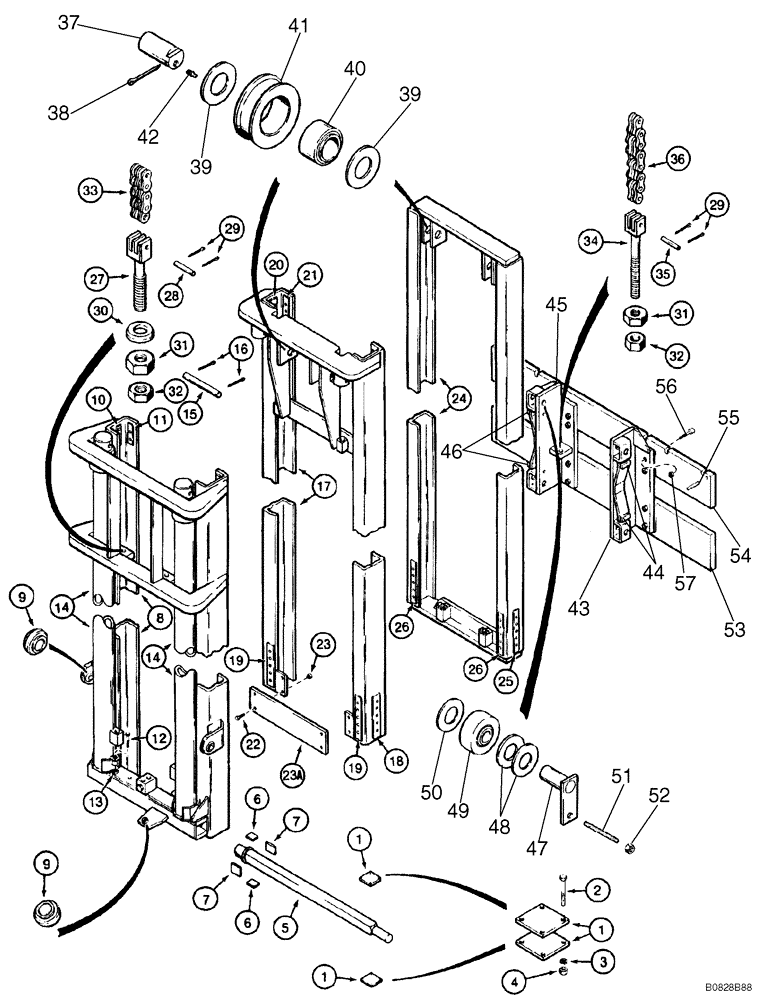
D139031

MAST ASSEMBLY

- forklift, 6.5 m (21-1/2 foot), Includes: Ref. 37 - 57 and Ref. 1 - 36 on Figure 9-92

1шт.

For replacement, call C.A.M., and provide the following information: model number, machine and mast serial numbers, and mast specifics (number of lift cylinders, travel height, and degree of tilt), before ordering.

1шт.

37

N7698

PIN,44.44mm OD x 79.37mm L

- pivot, sheave

4шт.

38

432-1240

COTTER PIN,3/16" x 2 1/2"

3/16" x 2 1/2"

4шт.

39

D36582

WASHER

- thrust, sheave

8шт.

40

D82893

ROLLER BEARING,44.45mm ID x 76.2mm OD x 44.7mm W

BEARING - roller, 45 (1-3/4) x 76 (3) x 45 mm (1-3/4 inch) wide

4шт.

41

230001A1

SHEAVE

- chain guide (Replaces sheave D82891)

4шт.

42

219-17

LUBE NIPPLE,3/16" NPTF

FITTING - grease, straight, 3/16 drive type x 17/32"

4шт.

43

D142854

SUPPORT ASSY.

CARRIAGE ASSEMBLY - mast, right-hand, Includes: Ref. 44; These come without the mounting holes drilled. Customer must drill to match his application.

1шт.

44

D55407

WEAR PAD

PLATE - wear, bronze, 14.29 (9/16) x 26.99 (1-1/16) x 63.5 mm (2-1/2 inch)

2шт.

45

D142855

SUPPORT ASSY.

CARRIAGE ASSEMBLY - mast, left-hand, Includes: Ref. 46; These come without the mounting holes drilled. Customer must drill to match his application.

1шт.

46

D55407

WEAR PAD

PLATE - wear, bronze, 14.29 (9/16) x 26.99 (1-1/16) x 63.5 mm (2-1/2 inch)

2шт.

47

D86606

AXLE

PIN ASSEMBLY - carriage roller, Includes: Ref. 47A

4шт.

47a

211-1006

BALL,3/16" Dia

- chrome alloy steel, 3/16 inch, grade 24, if used, not shown

1шт.

48

D55404

WASHER,32.16mm ID x 69.85mm OD x 6.35mm Thk

- thrust, 32 (1-1/4) x 70 (2-3/4) x 6.35 mm (1/4 inch) thick

4шт.

49

D52299

BEARING, ROLLER,31.75mm ID x 76.2mm OD x 32mm W

BEARING - carriage roller

4шт.

50

D52298

WASHER,32.16mm ID x 69.85mm OD x 2.77mm Thk

- thrust, 32 (1-1/4) x 70 (2-3/4) x 2.8 mm (7/64 inch) thick

2шт.

51

83-45040

SET SCREW,Hex Soc, 1/2"-13 x 2 1/2"

SCREW - set, hex socket headless, 1/2 NC x 2-1/2 inch, oval point, upper

2шт.

51

83-45048

SET SCREW,Hex Soc, 1/2"-13 x 3"

SCREW - set, hex socket headless, 1/2 NC x 3 inch, oval point, lower

2шт.

52

425-148

JAM NUT,Jam, 1/2"-13, G5

- hex, jam, 1/2 inch NC

4шт.

53

N7691

PLATE

- backing, lower

1шт.

54

N7692

PLATE

- backing, upper

1шт.

55

38-32832

PIN,7/16" x 2", Coiled

2шт.

56

461-35040

HEX SOC SCREW,1/2"-13 x 2 1/2"

SCREW, Hex Soc Hd, 1/2"-13 x 2 1/2"

16шт.

57

425-148

JAM NUT,Jam, 1/2"-13, G5

- hex, jam, 1/2 inch NC

16шт.

Выбрано товаров: 25