Запчасти Case 586E (6-12) - POWER SHUTTLE, PINION CAGE, OUTPUT SHAFT AND CONTROL VALVE (06) - POWER TRAIN

Схема запчастей Case 586E - (6-12) - POWER SHUTTLE, PINION CAGE, OUTPUT SHAFT AND CONTROL VALVE (06) - POWER TRAIN
9
8
11
9
52
36
32
35
45
8
3
12
17
48a
42
28
30
15
21
49
41
5
20
26
33
50
38
24
54
15
51
2
18
56
25
37
53
23
43
14
4
6
13
8
46
31
1
44
27
34
22
55
16
14
47
40
39
7
29
48
19
14
10
FIT
1:1
100%

Артикул

Название

Примечание

Количество

REF

INSTRUCTION

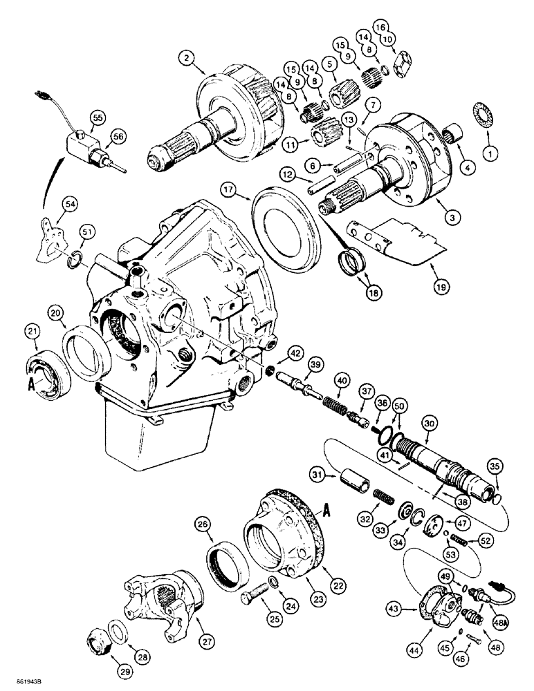
SHUTTLE ASSEMBLY - power, see Figure 6-10 for service information, parts list Figure 6-10 through 6-18, Includes: Ref. 1 - 56

1шт.

1

D50055

WASHER, THRUST,22.38mm ID x 44.45mm OD x 1.6mm Thk

WASHER - thrust, clutch hub

1шт.

2

D70665

GEAR

CARRIER - power shuttle, pinion cage and output shaft, Includes: Ref. 17

1шт.

3

NSS

NOT SOLD SEPARAT

SHAFT - cage, basic

1шт.

4

H747964

NEEDLE BEARING,Needle, 20.64mm ID x 26.99mm OD x 22.23mm W

BEARING - needle, output shaft

1шт.

D50030

GEAR

KIT - inner pinion gear and shaft, Includes: Ref. 5 - 10

3шт.

5

NSS

NOT SOLD SEPARAT

GEAR - pinion, inner

1шт.

6

NSS

NOT SOLD SEPARAT

SHAFT - pinion, inner

1шт.

7

NSS

NOT SOLD SEPARAT

PIN - retaining

1шт.

8

NSS

NOT SOLD SEPARAT

SPACER - pinion bearing

3шт.

9

NSS

NOT SOLD SEPARAT

ROLLER - pinion bearing

48шт.

10

NSS

NOT SOLD SEPARAT

PLATE - thrust

2шт.

D50031

KIT

- outer pinion gear and shaft, Includes: Ref. 11 - 16

3шт.

11

NSS

NOT SOLD SEPARAT

GEAR - pinion, outer

1шт.

12

NSS

NOT SOLD SEPARAT

SHAFT - pinion, outer

1шт.

13

NSS

NOT SOLD SEPARAT

PIN - retaining

1шт.

14

NSS

NOT SOLD SEPARAT

SPACER - pinion bearing

3шт.

15

NSS

NOT SOLD SEPARAT

ROLLER - pinion bearing

48шт.

16

NSS

NOT SOLD SEPARAT

PLATE - thrust

2шт.

17

D50087

RING

- collector

1шт.

18

D50080

RING,40.25mm ID x 44.36mm OD x 2.38mm Thk

- sealing

2шт.

19

D50056

GUARD

BAFFLE - plate

1шт.

20

D50057

SLEEVE

SPACER - ball bearing

1шт.

21

ST291

BEARING, BALL,35mm ID x 80mm OD x 21mm W

BEARING - ball, output shaft

1шт.

22

D50058

GASKET

- ball bearing retainer

1шт.

23

D50059

BEARING HOUSING

RETAINER - ball bearing, front

1шт.

24

492-11044

LOCK WASHER,7/16"

WASHER, LOCK, 7/16"

6шт.

25

413-718

BOLT,Hex, 7/16" - 14 x 1-1/8", Gr 5

- hex, 7/16 NC x 1-1/8 inch

6шт.

26

D50060

SEAL,53.98mm ID x 77.93mm OD x 13.11mm Thk

- oil, front

1шт.

27

D124144

FLANGE

YOKE - output shaft mounting

1шт.

28

D65247

WASHER

- output shaft, use sealant shown below

1шт.

29

131-91

LOCK NUT,3/4"-16, G8

NUT - light hex, self-locking, 3/4 inch NF

1шт.

B17576

GASKET MAKER FLUID

SEALANT - gasket, RTV No. 595, clear, 300 ml tube, can be used between D65247 washer (Ref. 28) and end of shaft, not shown (Replaces sealant 345-84)

1шт.

D77473

VALVE

ASSEMBLY - power shuttle, single groove for one D142214 O-ring, Ref. 50, no longer available, for service order N13639 valve and two D142214 O-rings, Ref. 50, Includes: Ref. 30 - 42

1шт.

N13639

VALVE

ASSEMBLY - power shuttle, double groove for two D142214 O-rings, Ref. 50, includes Ref. 30 through 42, used on D136020 or D135731 power shuttle, Includes: Ref. 30 - 42

1шт.

N14765

VALVE BODY

VALVE ASSEMBLY - power shuttle, includes Ref. 30 through 38, used on D140175, D140405 or D140492 power shuttle, Includes: Ref. 30 - 42

1шт.

30

NSS

NOT SOLD SEPARAT

BODY - valve, order valve assembly

1шт.

31

D50089

VALVE

- pressure regulator

1шт.

32

D50090

SPRING

- valve

1шт.

33

D50091

RETAINER,9.53mm ID x 28.42mm OD x 1.34mm Thk

- spring

1шт.

34

D50092

RING

- spring retaining

1шт.

35

172351

PLUG - expansion, special

1шт.

36

D77476

SPRING

- clutch cutout

1шт.

37

D77474

SPOOL

- valve

1шт.

38

135-198

GROOVED PIN,5/64" x 1", Type B

PIN, GROOVED, , Half length taper 5/64" x 1", Type B

1шт.

39

D75488

PLUNGER

- valve, D77473 or N13639 valve only

1шт.

40

D77475

SPRING

- plunger, D77473 or N13639 valve only

1шт.

41

38-1814

LOCK PIN,1/8" x 7/8", Slotted

Pin, , D77473 or N13639 valve only 1/8" x 7/8", Slotted

1шт.

42

D75489

SEAL,11.11mm ID x 17.46mm OD x 3.17mm Thk

- oil, see Ref. 42A, D77473 or N13639 valve only

1шт.

42a

D75492

PLASTIC RING

TOOL - installation, used to install D75489 seal, Ref. 42, not shown

1шт.

43

D50066

GASKET,0.41mm Thk

- valve cover

1шт.

44

D86488

COVER

- valve

1шт.

45

492-11025

LOCK WASHER,1/4"

WASHER, LOCK, 1/4"

3шт.

46

413-414

BOLT,Hex, 1/4" - 20 x 7/8", Gr 5

- hex, 1/4 NC x 7/8 inch

33шт.

47

D86489

CAM

- neutral start switch

1шт.

48

S113435

SWITCH

- neutral start, with snap-on connector, used with D135731, D136020, D140175 or D140405 power shuttle assembly, Includes: Ref. 49

1шт.

48a

D141061

SWITCH

- neutral start, with plastic wire connector, used with D140492 power shuttle assembly only, Includes: Ref. 49

1шт.

49

237-6006

O-RING,0.078" Thk x 0.468" ID, -906, Cl 6, 90 Duro

6-1, 90 Duro, .468" ID x .078" Thk

1шт.

50

238-7023

O-RING,0.07" Thk x 1.051" ID, -23, Cl 7, 75 Duro

- 1-1/16 ID x 1/16 inch wide (Replaces O-ring D142214)

1-2шт.

51

101-11112

SNAP RING,#112, 1.060", Ext

RING - retaining, No. 112 (Replaces ring A75171)

1шт.

52

S47892

SPRING

- poppet

1шт.

53

211-1010

BALL,5/16" OD

- chrome alloy steel, 5/16 inch, grade 24

1шт.

54

D146178

LEVER

- shift, internal detent (Replaces external detent lever D77621)

1шт.

54a

D147178

SPRING

- Bellville, not shown

1шт.

55

N14766

SOLENOID VALVE

SOLENOID ASSEMBLY - power shuttle, used with D140175, D140405 or D140492 power shuttle, Includes: Ref. 55A and 55B

1шт.

55a

238-6018

O-RING,0.07" Thk x 0.739" ID, -18, Cl 6, 90 Duro

Not shown -018, 90 Duro, .739" ID x .070" Thk

1шт.

55b

238-6112

O-RING,0.103" Thk x 0.487" ID, -112, Cl 6, 90 Duro

Not shown (Replaces O-ring S6476) -112, 90 Duro, .487" ID x .103" Thk

1шт.

56

131-424

NUT,PAL, 1 1/8"-7

NUT - hex, self-locking, 1-1/8-7 inch, D140175, D140405 or D140942 power shuttle

1шт.

Выбрано товаров: 68