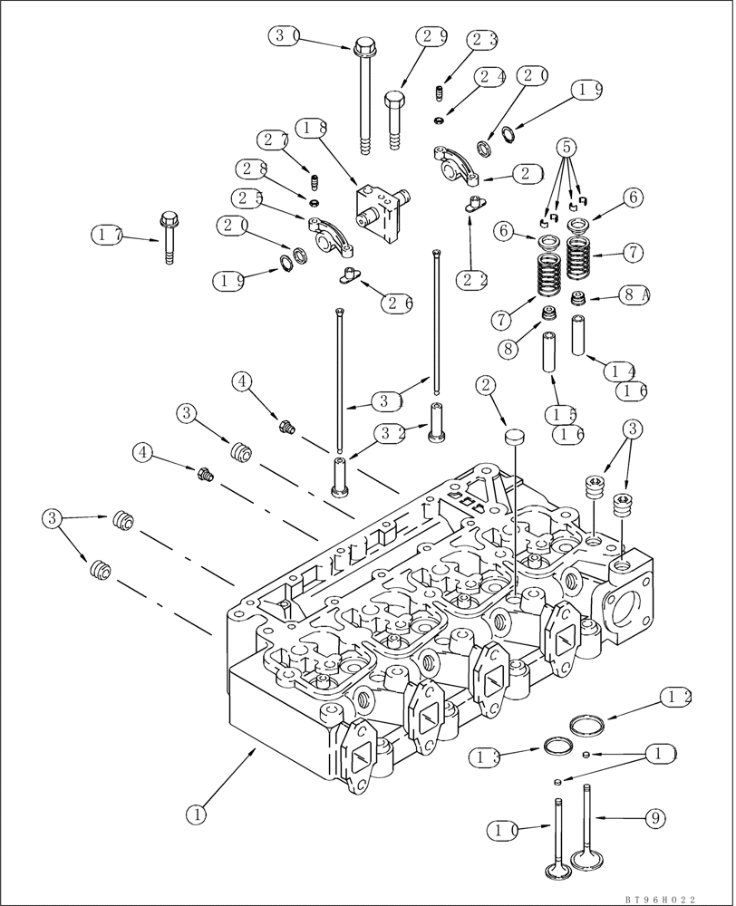
Запчасти Case 585G (02-14) - CYLINDER HEAD - VALVE MECHANISM, 4-390 EMISSIONS CERTIFIED ENGINE (02) - ENGINE

Схема запчастей Case 585G - (02-14) - CYLINDER HEAD - VALVE MECHANISM, 4-390 EMISSIONS CERTIFIED ENGINE (02) - ENGINE
bt96ho22
6
3
3
19
10
4
8
19
4
3
25
12
31
22
17
13
6
20
29
24
21
16
27
5
15
28
9
26
7
14
20
18
8a
30
11
16
2
23
32
1
7
FIT
1:1
100%

Артикул

Название

Примечание

Количество

.

4-390 Emissions Certified Engine

1шт.

87429905

HEAD (CYLINDER)

Incl. 1 - 10, Replaces J933494

1шт.

87429906

REMAN-CYLINDER HEAD

Cylinder Head

1шт.

87429907

CORE-CYLINDER HEAD

Return Part Number

1шт.

1

NSS

NOT SOLD SEPARAT

Cylinder Head, Incl. 2

1шт.

2

A77783

PLUG

21 mm OD

3шт.

3

217-466

DRAIN PLUG,Sq Soc, 1/2" - 14, NTPF

5шт.

4

J906619

PLUG,1/8" - 27

1/8 PT

2шт.

5

CASJ900250

RETAINER

16шт.

6

87433959

RETAINER

Replaces J935038

8шт.

7

J926700

VALVE SPRING

Replaces J932453

8шт.

8

87433962

SEAL

Replaces J921640

4шт.

8a

87433962

SEAL

Replaces J921640

4шт.

9

J920867

VALVE

4шт.

10

J920868

VALVE

4шт.

11

J910412

WEAR PAD

Intake And Exhaust, Service Repair Only, Replaces J280911

1шт.

12

J906854

SEAT, VALVE

Intake, Service Repair Only

4шт.

13

J904105

SEAT, VALVE

Exhaust, Service Repair Only

4шт.

14

J904408

GUIDE

14 mm OD, Intake, Service Repair Only

4шт.

15

J904409

GUIDE

14 mm OD, Exhaust, Service Repair Only

4шт.

16

J906206

GUIDE

11 mm OD, Intake And Exhaust, Service Repair Only

8шт.

17

J920779

BOLT,Flng, M12 x 1.75 x 70mm, Cl 12.9

70 mm

4шт.

17

J920780

BOLT,Flng, M12 x 1.75 x 120mm, Cl 12.9

120 mm

10шт.

18

J922488

SUPPORT

4шт.

19

J900242

SNAP RING

8шт.

20

J900245

WASHER

8шт.

21

J910811

ROCKER

Incl. 22 - 24

4шт.

22

NSS

NOT SOLD SEPARAT

Insert

1шт.

23

J937438

ADJUSTMENT SCREW,Hex Skt, 3/8" - 24 x 33mm, Adj, Ball Point

Replaces J900706, J934086

1шт.

24

A77902

NUT

3/8 - 24 NF

1шт.

25

J910810

ROCKER

Incl. 26 - 28

4шт.

26

NSS

NOT SOLD SEPARAT

Insert

1шт.

27

J937438

ADJUSTMENT SCREW,Hex Skt, 3/8" - 24 x 33mm, Adj, Ball Point

Replaces J900706, J934086

1шт.

28

A77902

NUT

3/8 - 24 NF

1шт.

29

J901221

BOLT

M8 x 75

4шт.

30

J920781

BOLT,Flng, M12 x 1.75 x 180mm, Cl 12.9

180 mm

4шт.

31

J284377

PUSH ROD

Replaces J923262

8шт.

32

J931623

TAPPET

8шт.

Выбрано товаров: 0