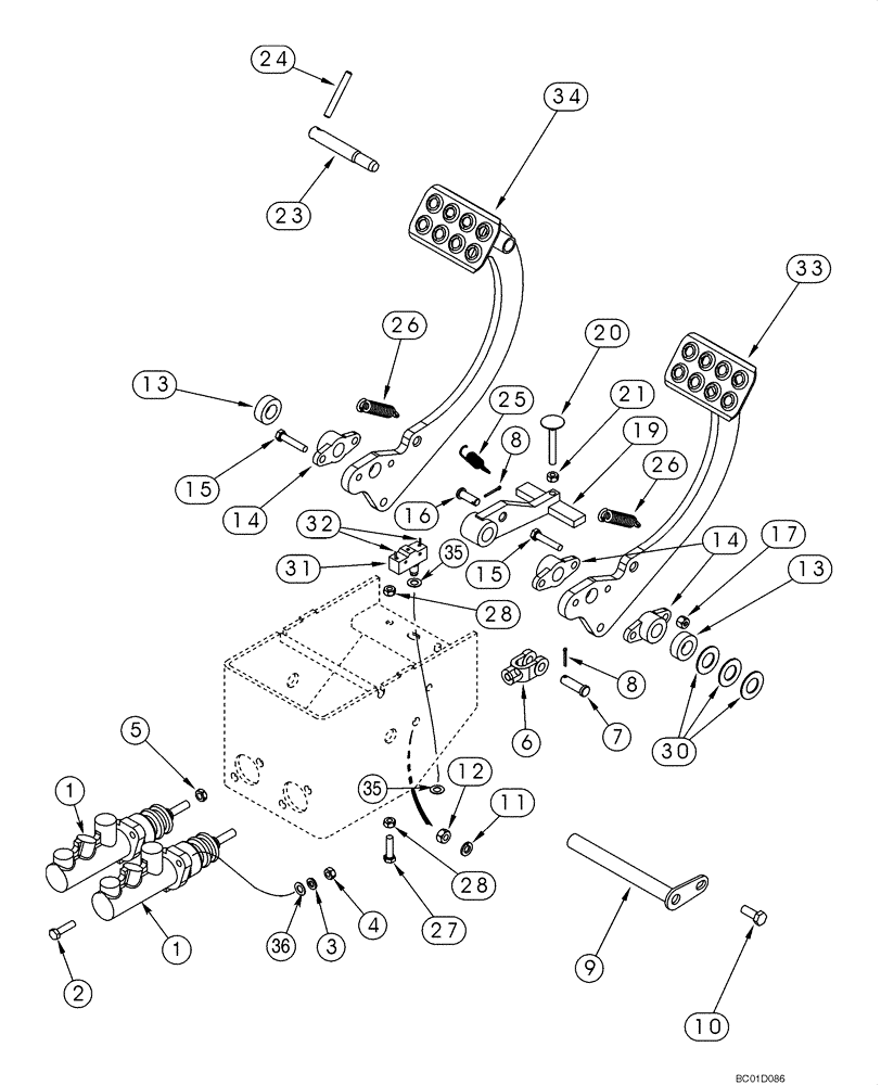
Запчасти Case 588G (07-07) - BRAKE PEDALS - BRAKE MASTER CYLINDER MOUNTING (07) - BRAKES

Схема запчастей Case 588G - (07-07) - BRAKE PEDALS - BRAKE MASTER CYLINDER MOUNTING (07) - BRAKES
25
1
3
28
13
7
10
28
30
19
15
36
5
6
1
17
27
24
13
9
23
26
32
8
33
34
16
35
14
15
8
12
20
31
21
14
35
26
11
4
2
FIT
1:1
100%

Артикул

Название

Примечание

Количество

1

182445A1

MASTER CYLINDER,104.8mm Stroke

CYLINDER,MASTER See Figure 07-09

2шт.

2

614-8030

BOLT,Hex, M8 x 1.25 x 30mm, Cl 8.8, Full Thd

4шт.

3

892-11008

LOCK WASHER,8mm ID

4шт.

4

829-1408

NUT,Hex, M8 x 1.25, Cl 10.9

4шт.

5

425-156

JAM NUT,Jam, 3/8"-24, G5

2шт.

6

D137077

CLEVIS

2шт.

7

L26209

PIN,11.07mm OD x 39.75mm L

3/8

2шт.

8

432-612

COTTER PIN,3/32" x 3/4"

3шт.

9

D140035

SHAFT,180mm L

Brake Pedal

1шт.

10

614-10025

BOLT,Hex, M10 x 1.5 x 25mm, Cl 8.8

1шт.

11

892-11010

LOCK WASHER,M10

1шт.

12

829-1410

NUT,M10 x 1.5, Cl 10.9

1шт.

13

D124529

SPACER,19.5mm ID x 35mm OD x 12mm Thk

2шт.

14

A77310

SUPPORT,0.754" ID x 1.375" OD x 0.81"

4шт.

15

814-8040

BOLT,Hex, M8 x 1.25 x 40mm, Cl 8.8

4шт.

16

D149288

PIN,8.33mm OD x 30.66mm L

1шт.

17

832-10408

NUT,M8 x 1.25, Cl 8.8

4шт.

19

D124528

LEVER

Brake Lamp

1шт.

20

121-145

FLANGE BOLT,Elevator, Flat Csk, 5/16" - 18 x 2 1/2", Gr 2

Actuator, Brake Switch

1шт.

21

425-105

NUT,5/16"-18, G5

1шт.

23

D124530

PIN,15.85mm OD x 111mm L

Pedal Lock

1шт.

24

438-12040

LOCK PIN,5/16" x 2 1/2", Slotted

5/16" x 2 1/2", Slotted

1шт.

25

A34591

SPRING

1шт.

26

A160874

SPRING

2шт.

27

614-8045

BOLT,Hex, M8 x 1.25 x 45mm, Cl 8.8, Full Thd

2шт.

28

829-1408

NUT,Hex, M8 x 1.25, Cl 10.9

4шт.

30

495-81261

WASHER,13/16" x 1 1/2" x .067", HDN

13/16 x 1-1/2 x 1/16, Used As Shim

1шт.

31

D148108

SWITCH

Brake Lamp

1шт.

32

A187990

TERMINAL CONNECTOR,Tin, 0.254 - 1.520mm

2шт.

33

356722A1

PEDAL

Brake, Right Hand

1шт.

34

356721A1

PEDAL

Brake, Left Hand

1шт.

35

495-81153

WASHER,.469" x 3/4" x .030"

2шт.

36

895-15008

WASHER,9mm ID x 20mm OD x 1.6mm Thk

4шт.

Выбрано товаров: 0