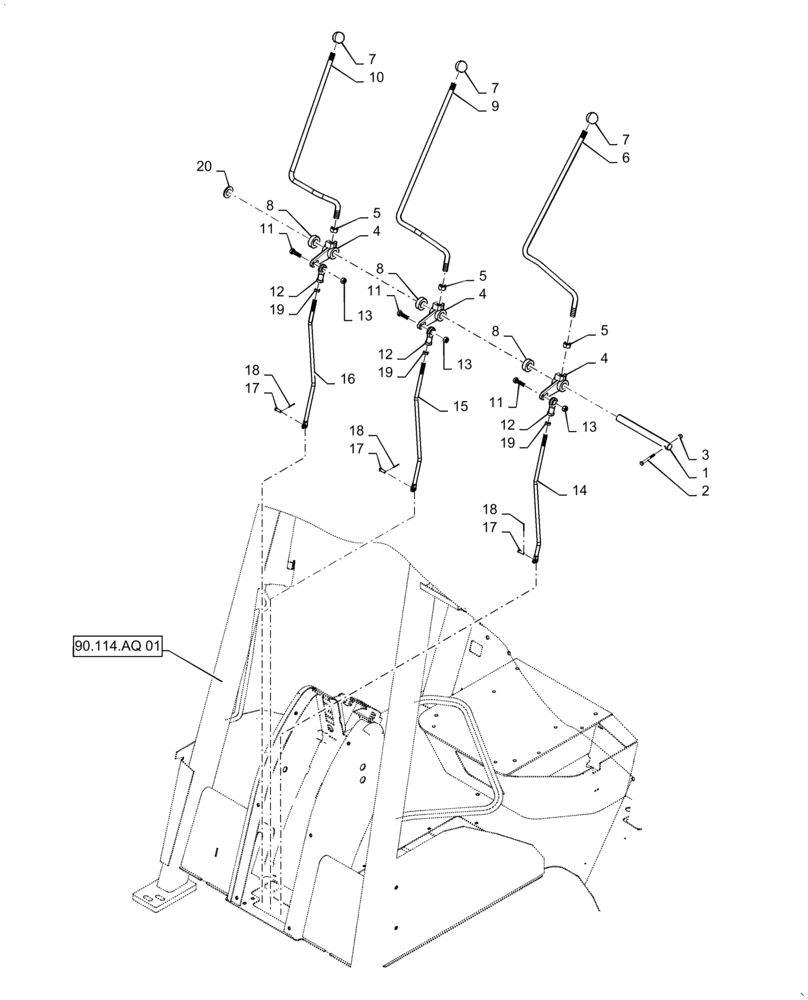
Запчасти Case 586H (35.355.AD[02]) - FORK LIFT CYLINDER CONTROL (35) - HYDRAULIC SYSTEMS

Схема запчастей Case 586H - (35.355.AD[02]) - FORK LIFT CYLINDER CONTROL (35) - HYDRAULIC SYSTEMS
5
12
16
3
11
13
18
9
13
17
8
10
11
15
2
12
20
90.114.aq 01
7
7
8
13
7
8
4
17
11
4
4
18
19
14
19
17
5
5
19
18
12
1
6
FIT
1:1
100%

Артикул

Название

Примечание

Количество

1

347801A1

PIN,19.05mm OD x 210mm L

Clevis

1шт.

2

814-6050

BOLT,Hex, M6 x 1 x 50mm, Cl 8.8

1шт.

3

832-10406

NUT,M6 x 1, Cl 8

1шт.

4

D150397

CRANK LEVER

Dipper

3шт.

5

425-118

NUT,1/2"-20, G5

3шт.

6

338863A1

HANDLE

Lift Control

1шт.

7

D59912

KNOB

Control

3шт.

8

D124529

SPACER,19.5mm ID x 35mm OD x 12mm Thk

Brake Shaft

3шт.

9

338865A1

HANDLE

Tilt Control

1шт.

10

338866A1

ROD

Side Shift Control

1шт.

11

413-620

BOLT,Hex, 3/8" - 16 x 1-1/4", Gr 5

3шт.

12

86500348

BALL JOINT HEAD,3/8" - 24

Rod End

3шт.

13

425-106

NUT,3/8"-16, Cl 5

3шт.

14

345350A1

ROD

Lift

1шт.

15

347216A1

ROD

Tilt

1шт.

16

345352A1

ROD

Side Shift

1шт.

17

427-4077

CLEVIS PIN,1/4" x .770"

3шт.

18

432-412

COTTER PIN,1/16" x 3/4"

3шт.

19

425-156

JAM NUT,Jam, 3/8"-24, G5

3шт.

20

87655047

SPECIAL WASHER,21.25mm ID x 38.10mm OD x 4.20mm Thk

M20

1шт.

Выбрано товаров: 0