Запчасти Case 586H (35.204.BJ[01]) - VAR - 423086 - HYD. LINE, VALVE, POWER POSITIONER (35) - HYDRAULIC SYSTEMS

Схема запчастей Case 586H - (35.204.BJ[01]) - VAR - 423086 - HYD. LINE, VALVE, POWER POSITIONER (35) - HYDRAULIC SYSTEMS
6
35.740.ac 02
2
3
2
4
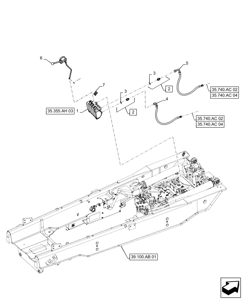
1
7
35.740.ac 04
35.740.ac 04
39.100.ab 01
35.740.ac 02
3
35.355.ah 03
5
FIT
1:1
100%

Артикул

Название

Примечание

Количество

1

84286432

VALVE

Assembly, 4 Section Power Positioner

1шт.

2

218-5060

HYD CONNECTOR,3/4" - 16 Male JIC x 7/8" - 14 Male ORB

Incl 3

2шт.

3

237-6010

O-RING,0.097" Thk x 0.755" ID, -910, Cl 6, 90 Duro

2шт.

4

87432826S

HYDRAULIC HOSE,10mm ID x 686mm L, SAE 100R17

Valve to Position

1шт.

5

87432827S

HYDRAULIC HOSE,10mm ID x 762mm L, SAE 100R17

Valve to Position

1шт.

6

338867A1

ROD

AUX/PWR Positioner

1шт.

7

87432940S

DECAL

Fork Positioner

1шт.

Выбрано товаров: 7